ST1300PA (2015)

Оригинальные запчасти для мотоциклов Honda (Америка)

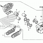
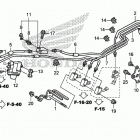
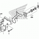
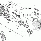
Выбор узла

ST1300PA (2015)