CB500X (2015)

Оригинальные запчасти для мотоциклов Honda (Америка)

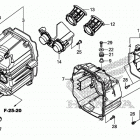
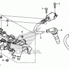
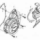
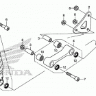
Выбор узла

CB500X (2015)

Honda CB500X 2015

Неоригинальные запчасти Parts Unlimited