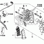
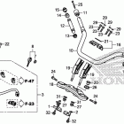
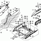
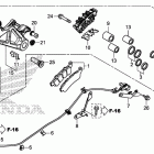
CTX1300A (2014)

Оригинальные запчасти для мотоциклов Honda (Америка)

Выбор узла

CTX1300A (2014)