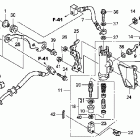
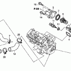
CBR1000RA (2009)

Оригинальные запчасти для мотоциклов Honda (Америка)

Выбор узла

CBR1000RA (2009)