• О Компании
  • Оплата и Доставка
  • Помощь
  • Обратная связь
  • Контакты
  • Telegram
  • ВКонтакте
  • Telegram
  • ВКонтакте
  • Регистрация
  • Авторизация
Интернет магазин мотозапчастей PartsFor.ru
Москва и регионы России
  • Личный кабинет
    • Заказы
    • Оплаты
    • Отгрузки
    • Сообщения
    • Профиль
    • Выход
  • Оригинальные запчасти
    • Для мотоциклов
    • Yamaha
    • Honda
    • Suzuki
    • Kawasaki
    • Harley Davidson
    • Ducati
    • Can-Am
    • Aprilia
    • BMW
    • Triumph
    • Husaberg
    • Husqvarna
    • KTM
    • Indian
    • Victory
    • Slingshot
    • Для мотоциклов
    • Для квадроциклов
    • Для снегоходов
    • Для мотовездеходов
    • Для гидроциклов
    • Для лодочных моторов
    • Для катеров
    • Для судовых двигателей
    • Для генераторов
    • Для квадроциклов
    • Yamaha
    • Honda
    • Suzuki
    • Kawasaki
    • Arctic Cat
    • Can-Am
    • Polaris
    • KTM
    • Для снегоходов
    • Yamaha
    • Arctic Cat
    • Lynx
    • Ski-Doo
    • Polaris
    • Для генераторов
    • Для мотовездеходов
    • Yamaha
    • Honda
    • Suzuki
    • Kawasaki
    • Arctic Cat
    • Can-Am
    • Polaris
    • Polaris RZR
    • Для гидроциклов
    • Yamaha
    • Honda Marine
    • Kawasaki
    • Arctic Cat
    • Polaris
    • Sea-Doo
    • Для лодочных моторов
    • Для катеров
    • Для суд. двигателей
    • Для генераторов
    • Для лодочных моторов
    • Yamaha
    • Honda Marine
    • Suzuki Marine
    • Evinrude
    • Johnson
    • Nissan
    • Tohatsu
    • Mercury
    • Force
    • Mariner
    • Для катеров
    • Yamaha
    • Sea-Doo
    • Для суд. двигателей
    • Для спецтехники
  • Неоригинал, расходники
  • Заказ по каталогам
    • КАТАЛОГ PARTS UNLIMITED
  • Моторезина
  1. Главная
  2. Запчасти для мотоциклов
  3. Honda (Америка)
  4. 2003
  5. XR70R

XR70R (2003)

Оригинальные запчасти для мотоциклов Honda (Америка)

Выбор узла

XR70R (2003)
  • XR70R Воздухозаборник
    Воздухозаборник
  • XR70R Рулевые переключатели и троса
    Рулевые переключатели и троса
  • XR70R Генератор
    Генератор
  • XR70R Руль и панель переднего номера
    Руль и панель переднего номера
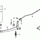
  • XR70R Педаль тормоза
    Педаль тормоза
  • XR70R Кик стартер
    Кик стартер
  • XR70R Цепь ГРМ и натяжитель
    Цепь ГРМ и натяжитель
  • XR70R Наклейки
    Наклейки
  • XR70R Распредвал и клапана
    Распредвал и клапана
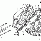
  • XR70R Крышка картера левая
    Крышка картера левая
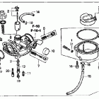
  • XR70R Карбюратор
    Карбюратор
  • XR70R Карбюратор
    Карбюратор
  • XR70R Mark ('03)
    Mark ('03)
  • XR70R Сцепление
    Сцепление
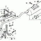
  • XR70R Глушитель
    Глушитель
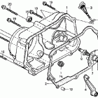
  • XR70R Картер
    Картер
  • XR70R Масляный насос
    Масляный насос
  • XR70R Коленвал и поршни
    Коленвал и поршни
  • XR70R Rear brake @ panel
    Rear brake @ panel
  • XR70R Цилиндр
    Цилиндр
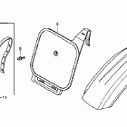
  • XR70R Заднее крыло
    Заднее крыло
  • XR70R Головка цилиндра
    Головка цилиндра
  • XR70R Задний амортизатор
    Задний амортизатор
  • XR70R Крышка головки цилиндров
    Крышка головки цилиндров
  • XR70R Заднее колесо
    Заднее колесо
  • XR70R Рама
    Рама
  • XR70R Крышка картера правая
    Крышка картера правая
  • XR70R Front brake @ panel
    Front brake @ panel
  • XR70R Сидение
    Сидение
  • XR70R Переднее крыло
    Переднее крыло
  • XR70R Боковая панель
    Боковая панель
  • XR70R Передняя вилка
    Передняя вилка
  • XR70R Подножка
    Подножка
  • XR70R Переднее колесо
    Переднее колесо
  • XR70R Траверса нижняя
    Траверса нижняя
  • XR70R Топливный бак
    Топливный бак
  • XR70R Подножки
    Подножки
  • XR70R Комплекты прокладок A
    Комплекты прокладок A
  • XR70R Маятник
    Маятник
  • XR70R Комплект прокладок B
    Комплект прокладок B
  • XR70R Инструмент
    Инструмент
  • XR70R Вилка переключения передач
    Вилка переключения передач
  • XR70R Трансмиссия
    Трансмиссия
  • XR70R Жгут проводов
    Жгут проводов
  • XR70R Жгут проводов
    Жгут проводов


  Информация
  • Новости
  • О Компании
  • Оплата и Доставка
  • Помощь
  • Обратная связь
  • Контакты
  OEM запчасти
  • Запчасти для мотоциклов
  • Запчасти для квадроциклов
  • Запчасти для снегоходов
  • Запчасти для мотовездеходов
  • Запчасти для гидроциклов
  • Запчасти для лодочных моторов
  Наши контакты
  • ИП Зуев Артем Павлович
  • г. Москва 2-я Хуторская улица, д.29, офис 214
  • Email: info@partsfor.ru

Тел: ‎8(495) 532-03-60
8(909) 958-46-33; 8(925) 200-16-98

* все разговоры записываются
С 10.00 до 19.00 ПН - ПТ

© 2026 Интернет магазин запчастей для мототехники ПартсФор.

  • PaymentGateway
  • PaymentGateway
Договор-оферта
Образец договора для юр.лиц
Пользовательское соглашение
Политика конфиденциальности

Товар добавлен в корзину

Выбранный товар добавлен в Вашу корзину.
Далее Вы можете перейти в корзину для оформления заказа или закрыть это окно и продолжить покупки.

Перейти в корзину

Выбор модели техники

Выбрать