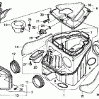
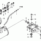
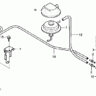
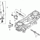
RVT1000R (2003)

Оригинальные запчасти для мотоциклов Honda (Америка)

Выбор узла

RVT1000R (2003)