VTR1000F (2002)

Оригинальные запчасти для мотоциклов Honda (Америка)

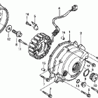
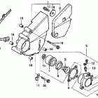
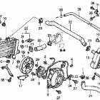
Выбор узла

VTR1000F (2002)