GL1500CT (1999)

Оригинальные запчасти для мотоциклов Honda (Америка)

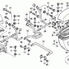
Выбор узла

GL1500CT (1999)