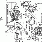
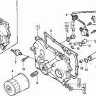
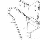
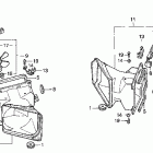
GL1500A (1997)

Оригинальные запчасти для мотоциклов Honda (Америка)

Выбор узла

GL1500A (1997)