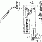
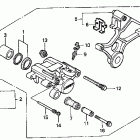
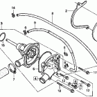
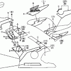
CBR600F3 (1997)

Оригинальные запчасти для мотоциклов Honda (Америка)

Выбор узла

CBR600F3 (1997)