• О Компании
  • Оплата и Доставка
  • Помощь
  • Обратная связь
  • Контакты
  • Telegram
  • ВКонтакте
  • Telegram
  • ВКонтакте
  • Регистрация
  • Авторизация
Интернет магазин мотозапчастей PartsFor.ru
Москва и регионы России
  • Личный кабинет
    • Заказы
    • Оплаты
    • Отгрузки
    • Сообщения
    • Профиль
    • Выход
  • Оригинальные запчасти
    • Для мотоциклов
    • Yamaha
    • Honda
    • Suzuki
    • Kawasaki
    • Harley Davidson
    • Ducati
    • Can-Am
    • Aprilia
    • BMW
    • Triumph
    • Husaberg
    • Husqvarna
    • KTM
    • Indian
    • Victory
    • Slingshot
    • Для мотоциклов
    • Для квадроциклов
    • Для снегоходов
    • Для мотовездеходов
    • Для гидроциклов
    • Для лодочных моторов
    • Для катеров
    • Для судовых двигателей
    • Для генераторов
    • Для квадроциклов
    • Yamaha
    • Honda
    • Suzuki
    • Kawasaki
    • Arctic Cat
    • Can-Am
    • Polaris
    • KTM
    • Для снегоходов
    • Yamaha
    • Arctic Cat
    • Lynx
    • Ski-Doo
    • Polaris
    • Для генераторов
    • Для мотовездеходов
    • Yamaha
    • Honda
    • Suzuki
    • Kawasaki
    • Arctic Cat
    • Can-Am
    • Polaris
    • Polaris RZR
    • Для гидроциклов
    • Yamaha
    • Honda Marine
    • Kawasaki
    • Arctic Cat
    • Polaris
    • Sea-Doo
    • Для лодочных моторов
    • Для катеров
    • Для суд. двигателей
    • Для генераторов
    • Для лодочных моторов
    • Yamaha
    • Honda Marine
    • Suzuki Marine
    • Evinrude
    • Johnson
    • Nissan
    • Tohatsu
    • Mercury
    • Force
    • Mariner
    • Для катеров
    • Yamaha
    • Sea-Doo
    • Для суд. двигателей
    • Для спецтехники
  • Неоригинал, расходники
  • Заказ по каталогам
    • КАТАЛОГ PARTS UNLIMITED
  • Моторезина
  1. Главная
  2. Запчасти для мотоциклов
  3. Honda (Америка)
  4. 1994
  5. CT70

CT70 (1994)

Оригинальные запчасти для мотоциклов Honda (Америка)

Выбор узла

CT70 (1994)
  • CT70 Воздухозаборник
    Воздухозаборник
  • CT70 Руль
    Руль
  • CT70 АКБ
    АКБ
  • CT70 Фара
    Фара
  • CT70 Цепь ГРМ
    Цепь ГРМ
  • CT70 Кик стартер
    Кик стартер
  • CT70 Распределительный вал
    Распределительный вал
  • CT70 Крышка картера левая
    Крышка картера левая
  • CT70 Canister (ac)
    Canister (ac)
  • CT70 Руководство по эксплуатации
    Руководство по эксплуатации
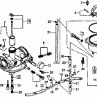
  • CT70 Карбюратор
    Карбюратор
  • CT70 Наклейки
    Наклейки
  • CT70 Лейбл предостережения
    Лейбл предостережения
  • CT70 Глушитель
    Глушитель
  • CT70 Сцепление
    Сцепление
  • CT70 Педали
    Педали
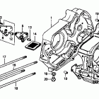
  • CT70 Картер
    Картер
  • CT70 Задний тормоз
    Задний тормоз
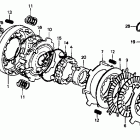
  • CT70 Коленвал
    Коленвал
  • CT70 Заднее крыло
    Заднее крыло
  • CT70 Головка цилиндра
    Головка цилиндра
  • CT70 Задний амортизатор
    Задний амортизатор
  • CT70 Крышка головки цилиндров
    Крышка головки цилиндров
  • CT70 Заднее колесо
    Заднее колесо
  • CT70 Рама
    Рама
  • CT70 Крышка картера правая
    Крышка картера правая
  • CT70 Передний тормоз
    Передний тормоз
  • CT70 Сидение
    Сидение
  • CT70 Переднее крыло
    Переднее крыло
  • CT70 Подножка
    Подножка
  • CT70 Передняя вилка
    Передняя вилка
  • CT70 Траверса нижняя
    Траверса нижняя
  • CT70 Переднее колесо
    Переднее колесо
  • CT70 Подножки
    Подножки
  • CT70 Топливный бак
    Топливный бак
  • CT70 Маятник
    Маятник
  • CT70 Комплекты прокладок A
    Комплекты прокладок A
  • CT70 Фонарь задний
    Фонарь задний
  • CT70 Комплект прокладок B
    Комплект прокладок B
  • CT70 Инструмент
    Инструмент
  • CT70 Вилка переключения передач
    Вилка переключения передач
  • CT70 Трансмиссия
    Трансмиссия
  • CT70 Рулевые переключатели ,тросы и зеркала
    Рулевые переключатели ,тросы и зеркала
  • CT70 Сигналы поворота
    Сигналы поворота
  • CT70 Жгут проводов
    Жгут проводов


  Информация
  • Новости
  • О Компании
  • Оплата и Доставка
  • Помощь
  • Обратная связь
  • Контакты
  OEM запчасти
  • Запчасти для мотоциклов
  • Запчасти для квадроциклов
  • Запчасти для снегоходов
  • Запчасти для мотовездеходов
  • Запчасти для гидроциклов
  • Запчасти для лодочных моторов
  Наши контакты
  • ИП Зуев Артем Павлович
  • г. Москва 2-я Хуторская улица, д.29, офис 214
  • Email: info@partsfor.ru

Тел: ‎8(495) 532-03-60
8(909) 958-46-33; 8(925) 200-16-98

* все разговоры записываются
С 10.00 до 19.00 ПН - ПТ

© 2026 Интернет магазин запчастей для мототехники ПартсФор.

  • PaymentGateway
  • PaymentGateway
Договор-оферта
Образец договора для юр.лиц
Пользовательское соглашение
Политика конфиденциальности

Товар добавлен в корзину

Выбранный товар добавлен в Вашу корзину.
Далее Вы можете перейти в корзину для оформления заказа или закрыть это окно и продолжить покупки.

Перейти в корзину

Выбор модели техники

Выбрать