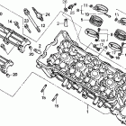
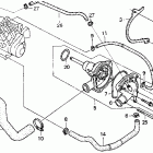
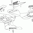
CBR900RR (1993)

Оригинальные запчасти для мотоциклов Honda (Америка)

Выбор узла

CBR900RR (1993)