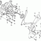
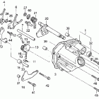
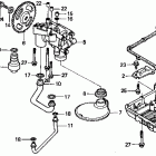
CB750 (1992)

Оригинальные запчасти для мотоциклов Honda (Америка)

Выбор узла

CB750 (1992)