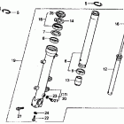
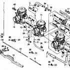
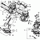
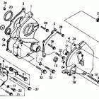
CBR1000F (1991)

Оригинальные запчасти для мотоциклов Honda (Америка)

Выбор узла

CBR1000F (1991)