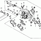
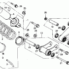
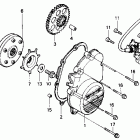
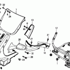
CBR600F (1990)

Оригинальные запчасти для мотоциклов Honda (Америка)

Выбор узла

CBR600F (1990)