• О Компании
  • Оплата и Доставка
  • Помощь
  • Обратная связь
  • Контакты
  • Telegram
  • ВКонтакте
  • Telegram
  • ВКонтакте
  • Регистрация
  • Авторизация
Интернет магазин мотозапчастей PartsFor.ru
Москва и регионы России
  • Личный кабинет
    • Заказы
    • Оплаты
    • Отгрузки
    • Сообщения
    • Профиль
    • Выход
  • Оригинальные запчасти
    • Для мотоциклов
    • Yamaha
    • Honda
    • Suzuki
    • Kawasaki
    • Harley Davidson
    • Ducati
    • Can-Am
    • Aprilia
    • BMW
    • Triumph
    • Husaberg
    • Husqvarna
    • KTM
    • Indian
    • Victory
    • Slingshot
    • Для мотоциклов
    • Для квадроциклов
    • Для снегоходов
    • Для мотовездеходов
    • Для гидроциклов
    • Для лодочных моторов
    • Для катеров
    • Для судовых двигателей
    • Для генераторов
    • Для квадроциклов
    • Yamaha
    • Honda
    • Suzuki
    • Kawasaki
    • Arctic Cat
    • Can-Am
    • Polaris
    • KTM
    • Для снегоходов
    • Yamaha
    • Arctic Cat
    • Lynx
    • Ski-Doo
    • Polaris
    • Для генераторов
    • Для мотовездеходов
    • Yamaha
    • Honda
    • Suzuki
    • Kawasaki
    • Arctic Cat
    • Can-Am
    • Polaris
    • Polaris RZR
    • Для гидроциклов
    • Yamaha
    • Honda Marine
    • Kawasaki
    • Arctic Cat
    • Polaris
    • Sea-Doo
    • Для лодочных моторов
    • Для катеров
    • Для суд. двигателей
    • Для генераторов
    • Для лодочных моторов
    • Yamaha
    • Honda Marine
    • Suzuki Marine
    • Evinrude
    • Johnson
    • Nissan
    • Tohatsu
    • Mercury
    • Force
    • Mariner
    • Для катеров
    • Yamaha
    • Sea-Doo
    • Для суд. двигателей
    • Для спецтехники
  • Неоригинал, расходники
  • Заказ по каталогам
    • КАТАЛОГ PARTS UNLIMITED
  • Моторезина
  1. Главная
  2. Запчасти для мотоциклов
  3. Honda (Америка)
  4. 1989
  5. CR125R

CR125R (1989)

Оригинальные запчасти для мотоциклов Honda (Америка)

Выбор узла

CR125R (1989)
  • CR125R Air cleaner 85-89
    Air cleaner 85-89
  • CR125R Handlebar @ steering stem
    Handlebar @ steering stem
  • CR125R Генератор
    Генератор
  • CR125R Кик стартер
    Кик стартер
  • CR125R Carburetor 85-89
    Carburetor 85-89
  • CR125R Руководство по эксплуатации
    Руководство по эксплуатации
  • CR125R Carburetor optional kit 85-89
    Carburetor optional kit 85-89
  • CR125R Наклейки
    Наклейки
  • CR125R Сцепление
    Сцепление
  • CR125R Muffler 89
    Muffler 89
  • CR125R Crankcase 87-89
    Crankcase 87-89
  • CR125R Pedal 85-89
    Pedal 85-89
  • CR125R Коленвал
    Коленвал
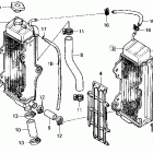
  • CR125R Radiator 89
    Radiator 89
  • CR125R Cylinder 87-89
    Cylinder 87-89
  • CR125R Задний суппорт тормозной
    Задний суппорт тормозной
  • CR125R Exhaust manifold 87-89
    Exhaust manifold 87-89
  • CR125R Заднее крыло
    Заднее крыло
  • CR125R Fr. brake caliper 87-89
    Fr. brake caliper 87-89
  • CR125R Rear wheel 87-89
    Rear wheel 87-89
  • CR125R Frame 85-89
    Frame 85-89
  • CR125R Right crankcase cover 87-89
    Right crankcase cover 87-89
  • CR125R Главный тормозной цилиндр - передний
    Главный тормозной цилиндр - передний
  • CR125R Задний главный тормозной цилиндр
    Задний главный тормозной цилиндр
  • CR125R Переднее крыло
    Переднее крыло
  • CR125R Seat 87-89
    Seat 87-89
  • CR125R Front fork 87-89
    Front fork 87-89
  • CR125R Shock absorber 89
    Shock absorber 89
  • CR125R Переднее колесо
    Переднее колесо
  • CR125R Подножка
    Подножка
  • CR125R Fuel tank 85-89
    Fuel tank 85-89
  • CR125R Swingarm 89
    Swingarm 89
  • CR125R Комплект прокладок
    Комплект прокладок
  • CR125R Инструмент
    Инструмент
  • CR125R Вилка переключения передач
    Вилка переключения передач
  • CR125R Трансмиссия
    Трансмиссия
  • CR125R Рулевые переключатели и троса
    Рулевые переключатели и троса
  • CR125R Водяной насос
    Водяной насос


  Информация
  • Новости
  • О Компании
  • Оплата и Доставка
  • Помощь
  • Обратная связь
  • Контакты
  OEM запчасти
  • Запчасти для мотоциклов
  • Запчасти для квадроциклов
  • Запчасти для снегоходов
  • Запчасти для мотовездеходов
  • Запчасти для гидроциклов
  • Запчасти для лодочных моторов
  Наши контакты
  • ИП Зуев Артем Павлович
  • г. Москва 2-я Хуторская улица, д.29, офис 214
  • Email: info@partsfor.ru

Тел: ‎8(495) 532-03-60
8(909) 958-46-33; 8(925) 200-16-98

* все разговоры записываются
С 10.00 до 19.00 ПН - ПТ

© 2026 Интернет магазин запчастей для мототехники ПартсФор.

  • PaymentGateway
  • PaymentGateway
Договор-оферта
Образец договора для юр.лиц
Пользовательское соглашение
Политика конфиденциальности

Товар добавлен в корзину

Выбранный товар добавлен в Вашу корзину.
Далее Вы можете перейти в корзину для оформления заказа или закрыть это окно и продолжить покупки.

Перейти в корзину

Выбор модели техники

Выбрать