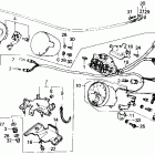
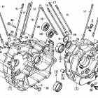
VT800C (1988)

Оригинальные запчасти для мотоциклов Honda (Америка)

Выбор узла

VT800C (1988)