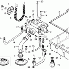
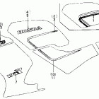
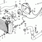
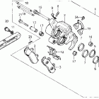
VFR700F2 (1987)

Оригинальные запчасти для мотоциклов Honda (Америка)

Выбор узла

VFR700F2 (1987)