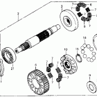
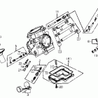
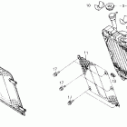
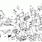
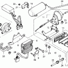
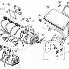
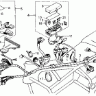
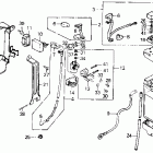
GL1200A (1987)

Оригинальные запчасти для мотоциклов Honda (Америка)

Выбор узла

GL1200A (1987)