CBR1000F (1987)

Оригинальные запчасти для мотоциклов Honda (Америка)

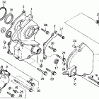
Выбор узла

CBR1000F (1987)