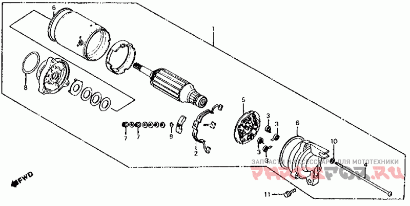
Стартер

Honda (Америка) VF700S

Honda (Америка)
#oem кодцена
02
31201-KG7-000
Клемма
03
31204-MA6-000
Пружинка
05
31206-MM5-008
Держатель
06
31207-179-711
Кольцо уплотнительное
07
90071-MB0-000
Гайка-шайба (6mm)
08
91309-MA6-000
Кольцо уплотнительное
09
91320-MB0-000
Кольцо уплотнительное
10
94111-05000
Шайба (5mm)
11
96000-06025-00
Болт (6x25)
11
96001-06025-00
Болт (6x25)
01
31200-MB0-405
Стартер
04
31205-MB0-000
Деталь Screw, Pan (5x115)