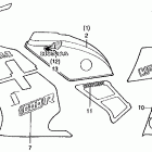
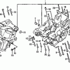
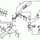
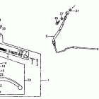
VF1000R (1985)

Оригинальные запчасти для мотоциклов Honda (Америка)

Выбор узла

VF1000R (1985)