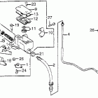
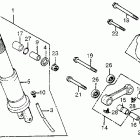
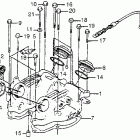
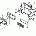
XL350R (1984)

Оригинальные запчасти для мотоциклов Honda (Америка)

Выбор узла

XL350R (1984)