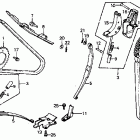
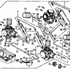
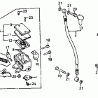
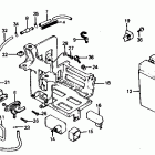
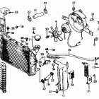
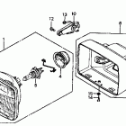
VF700C (1984)

Оригинальные запчасти для мотоциклов Honda (Америка)

Выбор узла

VF700C (1984)