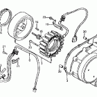
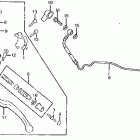
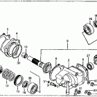
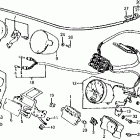
VT750C (1983)

Оригинальные запчасти для мотоциклов Honda (Америка)

Выбор узла

VT750C (1983)