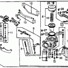
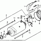
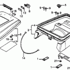
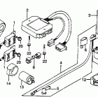
GL650 (1983)

Оригинальные запчасти для мотоциклов Honda (Америка)

Выбор узла

GL650 (1983)