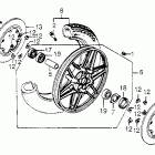
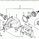
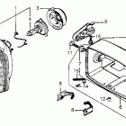
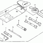
CB650SC (1983)

Оригинальные запчасти для мотоциклов Honda (Америка)

Выбор узла

CB650SC (1983)