• О Компании
  • Оплата и Доставка
  • Помощь
  • Обратная связь
  • Контакты
  • Telegram
  • ВКонтакте
  • Telegram
  • ВКонтакте
  • Регистрация
  • Авторизация
Интернет магазин мотозапчастей PartsFor.ru
Москва и регионы России
  • Личный кабинет
    • Заказы
    • Оплаты
    • Отгрузки
    • Сообщения
    • Профиль
    • Выход
  • Оригинальные запчасти
    • Для мотоциклов
    • Yamaha
    • Honda
    • Suzuki
    • Kawasaki
    • Harley Davidson
    • Ducati
    • Can-Am
    • Aprilia
    • BMW
    • Triumph
    • Husaberg
    • Husqvarna
    • KTM
    • Indian
    • Victory
    • Slingshot
    • Для мотоциклов
    • Для квадроциклов
    • Для снегоходов
    • Для мотовездеходов
    • Для гидроциклов
    • Для лодочных моторов
    • Для катеров
    • Для судовых двигателей
    • Для генераторов
    • Для квадроциклов
    • Yamaha
    • Honda
    • Suzuki
    • Kawasaki
    • Arctic Cat
    • Can-Am
    • Polaris
    • KTM
    • Для снегоходов
    • Yamaha
    • Arctic Cat
    • Lynx
    • Ski-Doo
    • Polaris
    • Для генераторов
    • Для мотовездеходов
    • Yamaha
    • Honda
    • Suzuki
    • Kawasaki
    • Arctic Cat
    • Can-Am
    • Polaris
    • Polaris RZR
    • Для гидроциклов
    • Yamaha
    • Honda Marine
    • Kawasaki
    • Arctic Cat
    • Polaris
    • Sea-Doo
    • Для лодочных моторов
    • Для катеров
    • Для суд. двигателей
    • Для генераторов
    • Для лодочных моторов
    • Yamaha
    • Honda Marine
    • Suzuki Marine
    • Evinrude
    • Johnson
    • Nissan
    • Tohatsu
    • Mercury
    • Force
    • Mariner
    • Для катеров
    • Yamaha
    • Sea-Doo
    • Для суд. двигателей
    • Для спецтехники
  • Неоригинал, расходники
  • Заказ по каталогам
    • КАТАЛОГ PARTS UNLIMITED
  • Моторезина
  1. Главная
  2. Запчасти для мотоциклов
  3. Honda (Америка)
  4. 1982
  5. NC50

NC50 (1982)

Оригинальные запчасти для мотоциклов Honda (Америка)

Выбор узла

NC50 (1982)
  • NC50 Воздухозаборник
    Воздухозаборник
  • NC50 Комплект прокладок
    Комплект прокладок
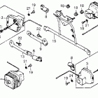
  • NC50 Генератор
    Генератор
  • NC50 Генератор
    Генератор
  • NC50 Headlight front carrier
    Headlight front carrier
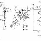
  • NC50 Карбюратор
    Карбюратор
  • NC50 Крышка картера левая
    Крышка картера левая
  • NC50 Clutch drive chain final gear
    Clutch drive chain final gear
  • NC50 Руководство по эксплуатации
    Руководство по эксплуатации
  • NC50 Control levers @ cable  @ switches
    Control levers @ cable @ switches
  • NC50 Глушитель
    Глушитель
  • NC50 Crankcase oil pump
    Crankcase oil pump
  • NC50 Oil tank @ rear carrier
    Oil tank @ rear carrier
  • NC50 Коленчатый вал и Поршень
    Коленчатый вал и Поршень
  • NC50 Задний амортизатор
    Задний амортизатор
  • NC50 Cylinder cylinder head
    Cylinder cylinder head
  • NC50 Заднее колесо
    Заднее колесо
  • NC50 Наклейки
    Наклейки
  • NC50 Сидение
    Сидение
  • NC50 Frame @ step bar
    Frame @ step bar
  • NC50 Speedometer @ handlebar  @ horn
    Speedometer @ handlebar @ horn
  • NC50 Переднее крыло
    Переднее крыло
  • NC50 Stand @ step
    Stand @ step
  • NC50 Передняя вилка
    Передняя вилка
  • NC50 Задний фонарь и крыло
    Задний фонарь и крыло
  • NC50 Front wheel @ front brake panel
    Front wheel @ front brake panel
  • NC50 Сигналы поворота
    Сигналы поворота
  • NC50 Топливный бак
    Топливный бак
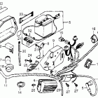
  • NC50 Wire harness @ battery  @ ignition coil @ right side cov...
    Wire harness @ battery @ ignition coil @ right side cov...


  Информация
  • Новости
  • О Компании
  • Оплата и Доставка
  • Помощь
  • Обратная связь
  • Контакты
  OEM запчасти
  • Запчасти для мотоциклов
  • Запчасти для квадроциклов
  • Запчасти для снегоходов
  • Запчасти для мотовездеходов
  • Запчасти для гидроциклов
  • Запчасти для лодочных моторов
  Наши контакты
  • ИП Зуев Артем Павлович
  • г. Москва 2-я Хуторская улица, д.29, офис 214
  • Email: info@partsfor.ru

Тел: ‎8(495) 532-03-60
8(909) 958-46-33; 8(925) 200-16-98

* все разговоры записываются
С 10.00 до 19.00 ПН - ПТ

© 2026 Интернет магазин запчастей для мототехники ПартсФор.

  • PaymentGateway
  • PaymentGateway
Договор-оферта
Образец договора для юр.лиц
Пользовательское соглашение
Политика конфиденциальности

Товар добавлен в корзину

Выбранный товар добавлен в Вашу корзину.
Далее Вы можете перейти в корзину для оформления заказа или закрыть это окно и продолжить покупки.

Перейти в корзину

Выбор модели техники

Выбрать