CX500TC (1982)

Оригинальные запчасти для мотоциклов Honda (Америка)

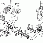
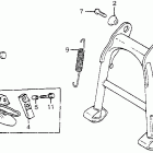
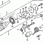
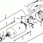
Выбор узла

CX500TC (1982)