• О Компании
  • Оплата и Доставка
  • Помощь
  • Обратная связь
  • Контакты
  • Telegram
  • ВКонтакте
  • Telegram
  • ВКонтакте
  • Регистрация
  • Авторизация
Интернет магазин мотозапчастей PartsFor.ru
Москва и регионы России
  • Личный кабинет
    • Заказы
    • Оплаты
    • Отгрузки
    • Сообщения
    • Профиль
    • Выход
  • Оригинальные запчасти
    • Для мотоциклов
    • Yamaha
    • Honda
    • Suzuki
    • Kawasaki
    • Harley Davidson
    • Ducati
    • Can-Am
    • Aprilia
    • BMW
    • Triumph
    • Husaberg
    • Husqvarna
    • KTM
    • Indian
    • Victory
    • Slingshot
    • Для мотоциклов
    • Для квадроциклов
    • Для снегоходов
    • Для мотовездеходов
    • Для гидроциклов
    • Для лодочных моторов
    • Для катеров
    • Для судовых двигателей
    • Для генераторов
    • Для квадроциклов
    • Yamaha
    • Honda
    • Suzuki
    • Kawasaki
    • Arctic Cat
    • Can-Am
    • Polaris
    • KTM
    • Для снегоходов
    • Yamaha
    • Arctic Cat
    • Lynx
    • Ski-Doo
    • Polaris
    • Для генераторов
    • Для мотовездеходов
    • Yamaha
    • Honda
    • Suzuki
    • Kawasaki
    • Arctic Cat
    • Can-Am
    • Polaris
    • Polaris RZR
    • Для гидроциклов
    • Yamaha
    • Honda Marine
    • Kawasaki
    • Arctic Cat
    • Polaris
    • Sea-Doo
    • Для лодочных моторов
    • Для катеров
    • Для суд. двигателей
    • Для генераторов
    • Для лодочных моторов
    • Yamaha
    • Honda Marine
    • Suzuki Marine
    • Evinrude
    • Johnson
    • Nissan
    • Tohatsu
    • Mercury
    • Force
    • Mariner
    • Для катеров
    • Yamaha
    • Sea-Doo
    • Для суд. двигателей
    • Для спецтехники
  • Неоригинал, расходники
  • Заказ по каталогам
    • КАТАЛОГ PARTS UNLIMITED
  • Моторезина
  1. Главная
  2. Запчасти для мотоциклов
  3. Honda (Америка)
  4. 1982
  5. CR125R

CR125R (1982)

Оригинальные запчасти для мотоциклов Honda (Америка)

Выбор узла

CR125R (1982)
  • CR125R Air cleaner 81-82
    Air cleaner 81-82
  • CR125R Gearshift pedal @ kick starter arm @ brake pedal 82
    Gearshift pedal @ kick starter arm @ brake pedal 82
  • CR125R Alternator @ c.d.i. unit 81-82
    Alternator @ c.d.i. unit 81-82
  • CR125R Handlebar @ top bridge 82
    Handlebar @ top bridge 82
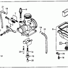
  • CR125R Карбюратор
    Карбюратор
  • CR125R Kick starter spindle 82
    Kick starter spindle 82
  • CR125R Carburetor kit
    Carburetor kit
  • CR125R Left crankcase cover 81-82
    Left crankcase cover 81-82
  • CR125R Clutch 82
    Clutch 82
  • CR125R Main stand @ side stand  @ footpegs
    Main stand @ side stand @ footpegs
  • CR125R Control levers @ switches  @ cables
    Control levers @ switches @ cables
  • CR125R Руководство по эксплуатации
    Руководство по эксплуатации
  • CR125R Crankcase 81-82
    Crankcase 81-82
  • CR125R Muffler 81-82
    Muffler 81-82
  • CR125R Crankshaft @ piston 81-82
    Crankshaft @ piston 81-82
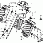
  • CR125R Radiator 82
    Radiator 82
  • CR125R Cylinder head @ cylinder  @ reed valve 82
    Cylinder head @ cylinder @ reed valve 82
  • CR125R Rear brake panel 82
    Rear brake panel 82
  • CR125R Frame @ ignition coil 82
    Frame @ ignition coil 82
  • CR125R Rear fender 82-83
    Rear fender 82-83
  • CR125R Front brake panel 82
    Front brake panel 82
  • CR125R Rear shock absorber @ link 82
    Rear shock absorber @ link 82
  • CR125R Переднее крыло
    Переднее крыло
  • CR125R Rear wheel 82
    Rear wheel 82
  • CR125R Front shock absorber 82
    Front shock absorber 82
  • CR125R Seat @ side cover 81-82
    Seat @ side cover 81-82
  • CR125R Front wheel 82-83
    Front wheel 82-83
  • CR125R Swingarm @ drive chain 82
    Swingarm @ drive chain 82
  • CR125R Fuel tank @ radiator shroud 82
    Fuel tank @ radiator shroud 82
  • CR125R Инструмент
    Инструмент
  • CR125R Gasket kit 81-82
    Gasket kit 81-82
  • CR125R Transmission 81-82
    Transmission 81-82
  • CR125R Gearshift drum 81-82
    Gearshift drum 81-82
  • CR125R Water pump 82
    Water pump 82


  Информация
  • Новости
  • О Компании
  • Оплата и Доставка
  • Помощь
  • Обратная связь
  • Контакты
  OEM запчасти
  • Запчасти для мотоциклов
  • Запчасти для квадроциклов
  • Запчасти для снегоходов
  • Запчасти для мотовездеходов
  • Запчасти для гидроциклов
  • Запчасти для лодочных моторов
  Наши контакты
  • ИП Зуев Артем Павлович
  • г. Москва 2-я Хуторская улица, д.29, офис 214
  • Email: info@partsfor.ru

Тел: ‎8(495) 532-03-60
8(909) 958-46-33; 8(925) 200-16-98

* все разговоры записываются
С 10.00 до 19.00 ПН - ПТ

© 2026 Интернет магазин запчастей для мототехники ПартсФор.

  • PaymentGateway
  • PaymentGateway
Договор-оферта
Образец договора для юр.лиц
Пользовательское соглашение
Политика конфиденциальности

Товар добавлен в корзину

Выбранный товар добавлен в Вашу корзину.
Далее Вы можете перейти в корзину для оформления заказа или закрыть это окно и продолжить покупки.

Перейти в корзину

Выбор модели техники

Выбрать