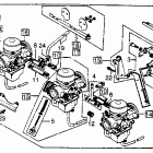
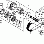
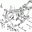
CB750K (1982)

Оригинальные запчасти для мотоциклов Honda (Америка)

Выбор узла

CB750K (1982)