CB650SC (1982)

Оригинальные запчасти для мотоциклов Honda (Америка)

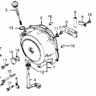
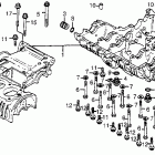
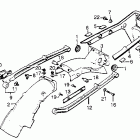
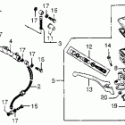
Выбор узла

CB650SC (1982)