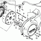
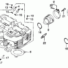
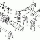
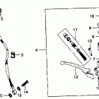
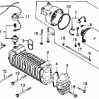
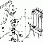
CB450T (1982)

Оригинальные запчасти для мотоциклов Honda (Америка)

Выбор узла

CB450T (1982)