• О Компании
  • Оплата и Доставка
  • Помощь
  • Обратная связь
  • Контакты
  • Telegram
  • ВКонтакте
  • Telegram
  • ВКонтакте
  • Регистрация
  • Авторизация
Интернет магазин мотозапчастей PartsFor.ru
Москва и регионы России
  • Личный кабинет
    • Заказы
    • Оплаты
    • Отгрузки
    • Сообщения
    • Профиль
    • Выход
  • Оригинальные запчасти
    • Для мотоциклов
    • Yamaha
    • Honda
    • Suzuki
    • Kawasaki
    • Harley Davidson
    • Ducati
    • Can-Am
    • Aprilia
    • BMW
    • Triumph
    • Husaberg
    • Husqvarna
    • KTM
    • Indian
    • Victory
    • Slingshot
    • Для мотоциклов
    • Для квадроциклов
    • Для снегоходов
    • Для мотовездеходов
    • Для гидроциклов
    • Для лодочных моторов
    • Для катеров
    • Для судовых двигателей
    • Для генераторов
    • Для квадроциклов
    • Yamaha
    • Honda
    • Suzuki
    • Kawasaki
    • Arctic Cat
    • Can-Am
    • Polaris
    • KTM
    • Для снегоходов
    • Yamaha
    • Arctic Cat
    • Lynx
    • Ski-Doo
    • Polaris
    • Для генераторов
    • Для мотовездеходов
    • Yamaha
    • Honda
    • Suzuki
    • Kawasaki
    • Arctic Cat
    • Can-Am
    • Polaris
    • Polaris RZR
    • Для гидроциклов
    • Yamaha
    • Honda Marine
    • Kawasaki
    • Arctic Cat
    • Polaris
    • Sea-Doo
    • Для лодочных моторов
    • Для катеров
    • Для суд. двигателей
    • Для генераторов
    • Для лодочных моторов
    • Yamaha
    • Honda Marine
    • Suzuki Marine
    • Evinrude
    • Johnson
    • Nissan
    • Tohatsu
    • Mercury
    • Force
    • Mariner
    • Для катеров
    • Yamaha
    • Sea-Doo
    • Для суд. двигателей
    • Для спецтехники
  • Неоригинал, расходники
  • Заказ по каталогам
    • КАТАЛОГ PARTS UNLIMITED
  • Моторезина
  1. Главная
  2. Запчасти для мотоциклов
  3. Honda (Америка)
  4. 1979
  5. CB400TI

CB400TI (1979)

Оригинальные запчасти для мотоциклов Honda (Америка)

Выбор узла

CB400TI (1979)
  • CB400TI Air cleaner ii 79
    Air cleaner ii 79
  • CB400TI Фара
    Фара
  • CB400TI Балансирный вал
    Балансирный вал
  • CB400TI Кик стартер
    Кик стартер
  • CB400TI Brake pedal @ change pedal  @ kick starter arm
    Brake pedal @ change pedal @ kick starter arm
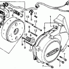
  • CB400TI Генератор и крышка
    Генератор и крышка
  • CB400TI Цепь ГРМ и натяжитель
    Цепь ГРМ и натяжитель
  • CB400TI Left side cover  @ rectifierfuse
    Left side cover @ rectifierfuse
  • CB400TI Распредвал и клапана
    Распредвал и клапана
  • CB400TI Lower crankcase
    Lower crankcase
  • CB400TI Карбюратор
    Карбюратор
  • CB400TI Cb400ti  front wheel
    Cb400ti front wheel
  • CB400TI Глушитель
    Глушитель
  • CB400TI Cb400ti  handle lever @ switch @ cable
    Cb400ti handle lever @ switch @ cable
  • CB400TI Oil pump @ oil pressure switch
    Oil pump @ oil pressure switch
  • CB400TI Cb40oti  key set @ speedometer  @ tachometer
    Cb40oti key set @ speedometer @ tachometer
  • CB400TI Поршни и шатуны
    Поршни и шатуны
  • CB400TI Cb40ti front brake panel
    Cb40ti front brake panel
  • CB400TI Задний тормоз
    Задний тормоз
  • CB400TI Cb40ti rear wheel
    Cb40ti rear wheel
  • CB400TI Заднее крыло и бампер
    Заднее крыло и бампер
  • CB400TI Сцепление
    Сцепление
  • CB400TI Задний амортизатор
    Задний амортизатор
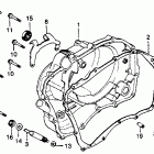
  • CB400TI Картер
    Картер
  • CB400TI Крышка картера правая
    Крышка картера правая
  • CB400TI Коленвал
    Коленвал
  • CB400TI Right side cover @ battery
    Right side cover @ battery
  • CB400TI Цилиндр
    Цилиндр
  • CB400TI Сидение
    Сидение
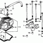
  • CB400TI Головка цилиндра
    Головка цилиндра
  • CB400TI Подножка
    Подножка
  • CB400TI Cylinder head cover  @ camshaft holder
    Cylinder head cover @ camshaft holder
  • CB400TI Steering stem @ horn
    Steering stem @ horn
  • CB400TI Рама
    Рама
  • CB400TI Подножки
    Подножки
  • CB400TI Переднее крыло
    Переднее крыло
  • CB400TI Swingarm @ chain case
    Swingarm @ chain case
  • CB400TI Передняя вилка
    Передняя вилка
  • CB400TI Фонарь задний
    Фонарь задний
  • CB400TI Fuel tank 78
    Fuel tank 78
  • CB400TI Инструмент
    Инструмент
  • CB400TI Fuel tank 79
    Fuel tank 79
  • CB400TI Трансмиссия
    Трансмиссия
  • CB400TI Gearshift drum @ gearshift arm
    Gearshift drum @ gearshift arm
  • CB400TI Сигналы поворота
    Сигналы поворота
  • CB400TI Руль и панель переднего номера
    Руль и панель переднего номера
  • CB400TI Wire harness @ ignition coil @ c.d.i. unit
    Wire harness @ ignition coil @ c.d.i. unit


  Информация
  • Новости
  • О Компании
  • Оплата и Доставка
  • Помощь
  • Обратная связь
  • Контакты
  OEM запчасти
  • Запчасти для мотоциклов
  • Запчасти для квадроциклов
  • Запчасти для снегоходов
  • Запчасти для мотовездеходов
  • Запчасти для гидроциклов
  • Запчасти для лодочных моторов
  Наши контакты
  • ИП Зуев Артем Павлович
  • г. Москва 2-я Хуторская улица, д.29, офис 214
  • Email: info@partsfor.ru

Тел: ‎8(495) 532-03-60
8(909) 958-46-33; 8(925) 200-16-98

* все разговоры записываются
С 10.00 до 19.00 ПН - ПТ

© 2026 Интернет магазин запчастей для мототехники ПартсФор.

  • PaymentGateway
  • PaymentGateway
Договор-оферта
Образец договора для юр.лиц
Пользовательское соглашение
Политика конфиденциальности

Товар добавлен в корзину

Выбранный товар добавлен в Вашу корзину.
Далее Вы можете перейти в корзину для оформления заказа или закрыть это окно и продолжить покупки.

Перейти в корзину

Выбор модели техники

Выбрать