• О Компании
  • Оплата и Доставка
  • Помощь
  • Обратная связь
  • Контакты
  • Telegram
  • ВКонтакте
  • Telegram
  • ВКонтакте
  • Регистрация
  • Авторизация
Интернет магазин мотозапчастей PartsFor.ru
Москва и регионы России
  • Личный кабинет
    • Заказы
    • Оплаты
    • Отгрузки
    • Сообщения
    • Профиль
    • Выход
  • Оригинальные запчасти
    • Для мотоциклов
    • Yamaha
    • Honda
    • Suzuki
    • Kawasaki
    • Harley Davidson
    • Ducati
    • Can-Am
    • Aprilia
    • BMW
    • Triumph
    • Husaberg
    • Husqvarna
    • KTM
    • Indian
    • Victory
    • Slingshot
    • Для мотоциклов
    • Для квадроциклов
    • Для снегоходов
    • Для мотовездеходов
    • Для гидроциклов
    • Для лодочных моторов
    • Для катеров
    • Для судовых двигателей
    • Для генераторов
    • Для квадроциклов
    • Yamaha
    • Honda
    • Suzuki
    • Kawasaki
    • Arctic Cat
    • Can-Am
    • Polaris
    • KTM
    • Для снегоходов
    • Yamaha
    • Arctic Cat
    • Lynx
    • Ski-Doo
    • Polaris
    • Для генераторов
    • Для мотовездеходов
    • Yamaha
    • Honda
    • Suzuki
    • Kawasaki
    • Arctic Cat
    • Can-Am
    • Polaris
    • Polaris RZR
    • Для гидроциклов
    • Yamaha
    • Honda Marine
    • Kawasaki
    • Arctic Cat
    • Polaris
    • Sea-Doo
    • Для лодочных моторов
    • Для катеров
    • Для суд. двигателей
    • Для генераторов
    • Для лодочных моторов
    • Yamaha
    • Honda Marine
    • Suzuki Marine
    • Evinrude
    • Johnson
    • Nissan
    • Tohatsu
    • Mercury
    • Force
    • Mariner
    • Для катеров
    • Yamaha
    • Sea-Doo
    • Для суд. двигателей
    • Для спецтехники
  • Неоригинал, расходники
  • Заказ по каталогам
    • КАТАЛОГ PARTS UNLIMITED
  • Моторезина
  1. Главная
  2. Запчасти для мотоциклов
  3. Honda (Америка)
  4. 1979
  5. CB125S

CB125S (1979)

Оригинальные запчасти для мотоциклов Honda (Америка)

Выбор узла

CB125S (1979)
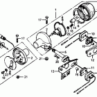
  • CB125S Air cleaner @ battery 79
    Air cleaner @ battery 79
  • CB125S Крышка картера левая
    Крышка картера левая
  • CB125S Цепь ГРМ и натяжитель
    Цепь ГРМ и натяжитель
  • CB125S Распредвал и клапана
    Распредвал и клапана
  • CB125S Muffler 79
    Muffler 79
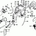
  • CB125S Carburetor 78-79
    Carburetor 78-79
  • CB125S Oil pump @ oil filter rotar
    Oil pump @ oil filter rotar
  • CB125S Сцепление
    Сцепление
  • CB125S Pedal @ kick arm @ stand 79
    Pedal @ kick arm @ stand 79
  • CB125S Картер
    Картер
  • CB125S Points @ advancer
    Points @ advancer
  • CB125S Коленвал и поршни
    Коленвал и поршни
  • CB125S Задний тормоз
    Задний тормоз
  • CB125S Cylinder head @ cylinder
    Cylinder head @ cylinder
  • CB125S Заднее крыло
    Заднее крыло
  • CB125S Frame 79
    Frame 79
  • CB125S Rear shock absorber 79
    Rear shock absorber 79
  • CB125S Переднее крыло
    Переднее крыло
  • CB125S Заднее колесо
    Заднее колесо
  • CB125S Front fork 79
    Front fork 79
  • CB125S Крышка картера правая
    Крышка картера правая
  • CB125S Front wheel 79
    Front wheel 79
  • CB125S Сидение
    Сидение
  • CB125S Fuel tank @ fuel valve 79
    Fuel tank @ fuel valve 79
  • CB125S Side cover @ tool
    Side cover @ tool
  • CB125S Комплекты прокладок A
    Комплекты прокладок A
  • CB125S Speedometer @ key set 79
    Speedometer @ key set 79
  • CB125S Комплект прокладок B
    Комплект прокладок B
  • CB125S Swingarm @ chain case
    Swingarm @ chain case
  • CB125S Gearshift drum @ gearshift spindle
    Gearshift drum @ gearshift spindle
  • CB125S Фонарь задний
    Фонарь задний
  • CB125S Handle lever @ switch 79
    Handle lever @ switch 79
  • CB125S Transmission @ kick starterspindle
    Transmission @ kick starterspindle
  • CB125S Handlebar 79
    Handlebar 79
  • CB125S Turn signal 79
    Turn signal 79
  • CB125S Headlight @ horn 79
    Headlight @ horn 79
  • CB125S Wire harness @ ignition coil 79
    Wire harness @ ignition coil 79


  Информация
  • Новости
  • О Компании
  • Оплата и Доставка
  • Помощь
  • Обратная связь
  • Контакты
  OEM запчасти
  • Запчасти для мотоциклов
  • Запчасти для квадроциклов
  • Запчасти для снегоходов
  • Запчасти для мотовездеходов
  • Запчасти для гидроциклов
  • Запчасти для лодочных моторов
  Наши контакты
  • ИП Зуев Артем Павлович
  • г. Москва 2-я Хуторская улица, д.29, офис 214
  • Email: info@partsfor.ru

Тел: ‎8(495) 532-03-60
8(909) 958-46-33; 8(925) 200-16-98

* все разговоры записываются
С 10.00 до 19.00 ПН - ПТ

© 2026 Интернет магазин запчастей для мототехники ПартсФор.

  • PaymentGateway
  • PaymentGateway
Договор-оферта
Образец договора для юр.лиц
Пользовательское соглашение
Политика конфиденциальности

Товар добавлен в корзину

Выбранный товар добавлен в Вашу корзину.
Далее Вы можете перейти в корзину для оформления заказа или закрыть это окно и продолжить покупки.

Перейти в корзину

Выбор модели техники

Выбрать