• О Компании
  • Оплата и Доставка
  • Помощь
  • Обратная связь
  • Контакты
  • Telegram
  • ВКонтакте
  • Telegram
  • ВКонтакте
  • Регистрация
  • Авторизация
Интернет магазин мотозапчастей PartsFor.ru
Москва и регионы России
  • Личный кабинет
    • Заказы
    • Оплаты
    • Отгрузки
    • Сообщения
    • Профиль
    • Выход
  • Оригинальные запчасти
    • Для мотоциклов
    • Yamaha
    • Honda
    • Suzuki
    • Kawasaki
    • Harley Davidson
    • Ducati
    • Can-Am
    • Aprilia
    • BMW
    • Triumph
    • Husaberg
    • Husqvarna
    • KTM
    • Indian
    • Victory
    • Slingshot
    • Для мотоциклов
    • Для квадроциклов
    • Для снегоходов
    • Для мотовездеходов
    • Для гидроциклов
    • Для лодочных моторов
    • Для катеров
    • Для судовых двигателей
    • Для генераторов
    • Для квадроциклов
    • Yamaha
    • Honda
    • Suzuki
    • Kawasaki
    • Arctic Cat
    • Can-Am
    • Polaris
    • KTM
    • Для снегоходов
    • Yamaha
    • Arctic Cat
    • Lynx
    • Ski-Doo
    • Polaris
    • Для генераторов
    • Для мотовездеходов
    • Yamaha
    • Honda
    • Suzuki
    • Kawasaki
    • Arctic Cat
    • Can-Am
    • Polaris
    • Polaris RZR
    • Для гидроциклов
    • Yamaha
    • Honda Marine
    • Kawasaki
    • Arctic Cat
    • Polaris
    • Sea-Doo
    • Для лодочных моторов
    • Для катеров
    • Для суд. двигателей
    • Для генераторов
    • Для лодочных моторов
    • Yamaha
    • Honda Marine
    • Suzuki Marine
    • Evinrude
    • Johnson
    • Nissan
    • Tohatsu
    • Mercury
    • Force
    • Mariner
    • Для катеров
    • Yamaha
    • Sea-Doo
    • Для суд. двигателей
    • Для спецтехники
  • Неоригинал, расходники
  • Заказ по каталогам
    • КАТАЛОГ PARTS UNLIMITED
  • Моторезина
  1. Главная
  2. Запчасти для мотоциклов
  3. Honda (Америка)
  4. 1978
  5. XL75

XL75 (1978)

Оригинальные запчасти для мотоциклов Honda (Америка)

Выбор узла

XL75 (1978)
  • XL75 Air cleaner @ side cover 77-78
    Air cleaner @ side cover 77-78
  • XL75 Фара
    Фара
  • XL75 Цепь ГРМ и натяжитель
    Цепь ГРМ и натяжитель
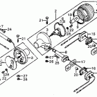
  • XL75 Генератор и крышка
    Генератор и крышка
  • XL75 Распредвал и клапана
    Распредвал и клапана
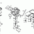
  • XL75 Карбюратор
    Карбюратор
  • XL75 Глушитель
    Глушитель
  • XL75 Сцепление
    Сцепление
  • XL75 Масляный насос
    Масляный насос
  • XL75 Картер
    Картер
  • XL75 Pedal @ kick arm @ stand
    Pedal @ kick arm @ stand
  • XL75 Коленвал
    Коленвал
  • XL75 Задний тормоз
    Задний тормоз
  • XL75 Cylinder head @ cylinder
    Cylinder head @ cylinder
  • XL75 Заднее крыло
    Заднее крыло
  • XL75 Drive chain @ swingarm
    Drive chain @ swingarm
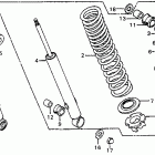
  • XL75 Rear shock absorber 77-78
    Rear shock absorber 77-78
  • XL75 Рама
    Рама
  • XL75 Заднее колесо
    Заднее колесо
  • XL75 Передний тормоз
    Передний тормоз
  • XL75 Крышка картера правая
    Крышка картера правая
  • XL75 Переднее крыло
    Переднее крыло
  • XL75 Seat @ tool
    Seat @ tool
  • XL75 Передняя вилка
    Передняя вилка
  • XL75 Shift fork @ shift drum  @ kick spindle
    Shift fork @ shift drum @ kick spindle
  • XL75 Переднее колесо
    Переднее колесо
  • XL75 Speedometer @ horn @ key set
    Speedometer @ horn @ key set
  • XL75 Fuel tank @ fuel lever 77-78
    Fuel tank @ fuel lever 77-78
  • XL75 Фонарь задний
    Фонарь задний
  • XL75 Handle switch @ cable @ lever
    Handle switch @ cable @ lever
  • XL75 Трансмиссия
    Трансмиссия
  • XL75 Handlebar @ top bridge @ stem
    Handlebar @ top bridge @ stem
  • XL75 Сигналы поворота
    Сигналы поворота
  • XL75 Wire harness @ ignition coil @ battery
    Wire harness @ ignition coil @ battery


  Информация
  • Новости
  • О Компании
  • Оплата и Доставка
  • Помощь
  • Обратная связь
  • Контакты
  OEM запчасти
  • Запчасти для мотоциклов
  • Запчасти для квадроциклов
  • Запчасти для снегоходов
  • Запчасти для мотовездеходов
  • Запчасти для гидроциклов
  • Запчасти для лодочных моторов
  Наши контакты
  • ИП Зуев Артем Павлович
  • г. Москва 2-я Хуторская улица, д.29, офис 214
  • Email: info@partsfor.ru

Тел: ‎8(495) 532-03-60
8(909) 958-46-33; 8(925) 200-16-98

* все разговоры записываются
С 10.00 до 19.00 ПН - ПТ

© 2026 Интернет магазин запчастей для мототехники ПартсФор.

  • PaymentGateway
  • PaymentGateway
Договор-оферта
Образец договора для юр.лиц
Пользовательское соглашение
Политика конфиденциальности

Товар добавлен в корзину

Выбранный товар добавлен в Вашу корзину.
Далее Вы можете перейти в корзину для оформления заказа или закрыть это окно и продолжить покупки.

Перейти в корзину

Выбор модели техники

Выбрать