CX500 (1978)

Оригинальные запчасти для мотоциклов Honda (Америка)

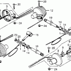
Выбор узла

CX500 (1978)