• О Компании
  • Оплата и Доставка
  • Помощь
  • Обратная связь
  • Контакты
  • Telegram
  • ВКонтакте
  • Telegram
  • ВКонтакте
  • Регистрация
  • Авторизация
Интернет магазин мотозапчастей PartsFor.ru
Москва и регионы России
  • Личный кабинет
    • Заказы
    • Оплаты
    • Отгрузки
    • Сообщения
    • Профиль
    • Выход
  • Оригинальные запчасти
    • Для мотоциклов
    • Yamaha
    • Honda
    • Suzuki
    • Kawasaki
    • Harley Davidson
    • Ducati
    • Can-Am
    • Aprilia
    • BMW
    • Triumph
    • Husaberg
    • Husqvarna
    • KTM
    • Indian
    • Victory
    • Slingshot
    • Для мотоциклов
    • Для квадроциклов
    • Для снегоходов
    • Для мотовездеходов
    • Для гидроциклов
    • Для лодочных моторов
    • Для катеров
    • Для судовых двигателей
    • Для генераторов
    • Для квадроциклов
    • Yamaha
    • Honda
    • Suzuki
    • Kawasaki
    • Arctic Cat
    • Can-Am
    • Polaris
    • KTM
    • Для снегоходов
    • Yamaha
    • Arctic Cat
    • Lynx
    • Ski-Doo
    • Polaris
    • Для генераторов
    • Для мотовездеходов
    • Yamaha
    • Honda
    • Suzuki
    • Kawasaki
    • Arctic Cat
    • Can-Am
    • Polaris
    • Polaris RZR
    • Для гидроциклов
    • Yamaha
    • Honda Marine
    • Kawasaki
    • Arctic Cat
    • Polaris
    • Sea-Doo
    • Для лодочных моторов
    • Для катеров
    • Для суд. двигателей
    • Для генераторов
    • Для лодочных моторов
    • Yamaha
    • Honda Marine
    • Suzuki Marine
    • Evinrude
    • Johnson
    • Nissan
    • Tohatsu
    • Mercury
    • Force
    • Mariner
    • Для катеров
    • Yamaha
    • Sea-Doo
    • Для суд. двигателей
    • Для спецтехники
  • Неоригинал, расходники
  • Заказ по каталогам
    • КАТАЛОГ PARTS UNLIMITED
  • Моторезина
  1. Главная
  2. Запчасти для мотоциклов
  3. Honda (Америка)
  4. 1978
  5. CM185T

CM185T (1978)

Оригинальные запчасти для мотоциклов Honda (Америка)

Выбор узла

CM185T (1978)
  • CM185T Воздухозаборник
    Воздухозаборник
  • CM185T Руководство по эксплуатации
    Руководство по эксплуатации
  • CM185T Цепь ГРМ и натяжитель
    Цепь ГРМ и натяжитель
  • CM185T Глушитель
    Глушитель
  • CM185T Распредвал и клапана
    Распредвал и клапана
  • CM185T Масляный насос
    Масляный насос
  • CM185T Карбюратор
    Карбюратор
  • CM185T Педаль кик стартер
    Педаль кик стартер
  • CM185T Сцепление
    Сцепление
  • CM185T Points @ advancer
    Points @ advancer
  • CM185T Картер
    Картер
  • CM185T Задний тормоз
    Задний тормоз
  • CM185T Коленвал и поршни
    Коленвал и поршни
  • CM185T Заднее крыло
    Заднее крыло
  • CM185T Цилиндр
    Цилиндр
  • CM185T Задний амортизатор
    Задний амортизатор
  • CM185T Головка цилиндра
    Головка цилиндра
  • CM185T Заднее колесо
    Заднее колесо
  • CM185T Крышка головки цилиндров
    Крышка головки цилиндров
  • CM185T Крышка картера правая
    Крышка картера правая
  • CM185T Рама
    Рама
  • CM185T Сидение
    Сидение
  • CM185T Передний тормоз
    Передний тормоз
  • CM185T Барабан и вилки переключения
    Барабан и вилки переключения
  • CM185T Переднее крыло
    Переднее крыло
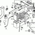
  • CM185T Side cover @ battery
    Side cover @ battery
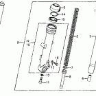
  • CM185T Передняя вилка
    Передняя вилка
  • CM185T Speedometer @ key set
    Speedometer @ key set
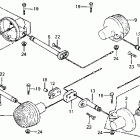
  • CM185T Переднее колесо
    Переднее колесо
  • CM185T Стартер электрический
    Стартер электрический
  • CM185T Fuel tank @ fuel valve
    Fuel tank @ fuel valve
  • CM185T Step @ stand
    Step @ stand
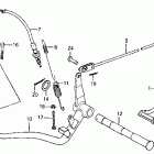
  • CM185T Рулевые рычаги , переключатели и тросы
    Рулевые рычаги , переключатели и тросы
  • CM185T Маятник
    Маятник
  • CM185T Handlebar @ stem @ top bridge
    Handlebar @ stem @ top bridge
  • CM185T Фонарь задний
    Фонарь задний
  • CM185T Фара
    Фара
  • CM185T Инструмент
    Инструмент
  • CM185T Кик стартер
    Кик стартер
  • CM185T Трансмиссия
    Трансмиссия
  • CM185T Генератор и крышка
    Генератор и крышка
  • CM185T Сигналы поворота
    Сигналы поворота
  • CM185T Wire harness @ ignition coil
    Wire harness @ ignition coil


  Информация
  • Новости
  • О Компании
  • Оплата и Доставка
  • Помощь
  • Обратная связь
  • Контакты
  OEM запчасти
  • Запчасти для мотоциклов
  • Запчасти для квадроциклов
  • Запчасти для снегоходов
  • Запчасти для мотовездеходов
  • Запчасти для гидроциклов
  • Запчасти для лодочных моторов
  Наши контакты
  • ИП Зуев Артем Павлович
  • г. Москва 2-я Хуторская улица, д.29, офис 214
  • Email: info@partsfor.ru

Тел: ‎8(495) 532-03-60
8(909) 958-46-33; 8(925) 200-16-98

* все разговоры записываются
С 10.00 до 19.00 ПН - ПТ

© 2026 Интернет магазин запчастей для мототехники ПартсФор.

  • PaymentGateway
  • PaymentGateway
Договор-оферта
Образец договора для юр.лиц
Пользовательское соглашение
Политика конфиденциальности

Товар добавлен в корзину

Выбранный товар добавлен в Вашу корзину.
Далее Вы можете перейти в корзину для оформления заказа или закрыть это окно и продолжить покупки.

Перейти в корзину

Выбор модели техники

Выбрать