• О Компании
  • Оплата и Доставка
  • Помощь
  • Обратная связь
  • Контакты
  • Telegram
  • ВКонтакте
  • Telegram
  • ВКонтакте
  • Регистрация
  • Авторизация
Интернет магазин мотозапчастей PartsFor.ru
Москва и регионы России
  • Личный кабинет
    • Заказы
    • Оплаты
    • Отгрузки
    • Сообщения
    • Профиль
    • Выход
  • Оригинальные запчасти
    • Для мотоциклов
    • Yamaha
    • Honda
    • Suzuki
    • Kawasaki
    • Harley Davidson
    • Ducati
    • Can-Am
    • Aprilia
    • BMW
    • Triumph
    • Husaberg
    • Husqvarna
    • KTM
    • Indian
    • Victory
    • Slingshot
    • Для мотоциклов
    • Для квадроциклов
    • Для снегоходов
    • Для мотовездеходов
    • Для гидроциклов
    • Для лодочных моторов
    • Для катеров
    • Для судовых двигателей
    • Для генераторов
    • Для квадроциклов
    • Yamaha
    • Honda
    • Suzuki
    • Kawasaki
    • Arctic Cat
    • Can-Am
    • Polaris
    • KTM
    • Для снегоходов
    • Yamaha
    • Arctic Cat
    • Lynx
    • Ski-Doo
    • Polaris
    • Для генераторов
    • Для мотовездеходов
    • Yamaha
    • Honda
    • Suzuki
    • Kawasaki
    • Arctic Cat
    • Can-Am
    • Polaris
    • Polaris RZR
    • Для гидроциклов
    • Yamaha
    • Honda Marine
    • Kawasaki
    • Arctic Cat
    • Polaris
    • Sea-Doo
    • Для лодочных моторов
    • Для катеров
    • Для суд. двигателей
    • Для генераторов
    • Для лодочных моторов
    • Yamaha
    • Honda Marine
    • Suzuki Marine
    • Evinrude
    • Johnson
    • Nissan
    • Tohatsu
    • Mercury
    • Force
    • Mariner
    • Для катеров
    • Yamaha
    • Sea-Doo
    • Для суд. двигателей
    • Для спецтехники
  • Неоригинал, расходники
  • Заказ по каталогам
    • КАТАЛОГ PARTS UNLIMITED
  • Моторезина
  1. Главная
  2. Запчасти для мотоциклов
  3. Honda (Америка)
  4. 1978
  5. CB550K

CB550K (1978)

Оригинальные запчасти для мотоциклов Honda (Америка)

Выбор узла

CB550K (1978)
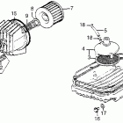
  • CB550K Воздухозаборник
    Воздухозаборник
  • CB550K Left crankcase cover  @ starting motor @ oil pump
    Left crankcase cover @ starting motor @ oil pump
  • CB550K Генератор
    Генератор
  • CB550K Left side cover @ electric plate
    Left side cover @ electric plate
  • CB550K Цепь ГРМ и натяжитель
    Цепь ГРМ и натяжитель
  • CB550K Руководство по эксплуатации
    Руководство по эксплуатации
  • CB550K Распредвал и клапана
    Распредвал и клапана
  • CB550K Master cylinder @ brake hose
    Master cylinder @ brake hose
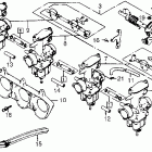
  • CB550K Carburetor 78
    Carburetor 78
  • CB550K Глушитель
    Глушитель
  • CB550K Carburetor components 78
    Carburetor components 78
  • CB550K Oil filter @ oil pan
    Oil filter @ oil pan
  • CB550K Сцепление
    Сцепление
  • CB550K Points @ advancer
    Points @ advancer
  • CB550K Картер
    Картер
  • CB550K Primary shaft @ chain
    Primary shaft @ chain
  • CB550K Коленвал и поршни
    Коленвал и поршни
  • CB550K Задний тормоз
    Задний тормоз
  • CB550K Цилиндр
    Цилиндр
  • CB550K Заднее крыло
    Заднее крыло
  • CB550K Головка цилиндра
    Головка цилиндра
  • CB550K Rear shock absorber (2)
    Rear shock absorber (2)
  • CB550K Крышка головки цилиндров
    Крышка головки цилиндров
  • CB550K Заднее колесо
    Заднее колесо
  • CB550K Рама
    Рама
  • CB550K Крышка картера правая
    Крышка картера правая
  • CB550K Передний тормозной суппорт
    Передний тормозной суппорт
  • CB550K Right side cover @ battery
    Right side cover @ battery
  • CB550K Переднее крыло
    Переднее крыло
  • CB550K Seat @ tool
    Seat @ tool
  • CB550K Передняя вилка
    Передняя вилка
  • CB550K Shift drum @ shift fork  @ shift spindle
    Shift drum @ shift fork @ shift spindle
  • CB550K Front wheel @ disc
    Front wheel @ disc
  • CB550K Speedometer @ tachometer  @ pilot lamp
    Speedometer @ tachometer @ pilot lamp
  • CB550K Топливный бак
    Топливный бак
  • CB550K Stand @ step
    Stand @ step
  • CB550K Handle lever @ switch  @ cables
    Handle lever @ switch @ cables
  • CB550K Swingarm @ chain
    Swingarm @ chain
  • CB550K Handlebar @ top bridge @ stem
    Handlebar @ top bridge @ stem
  • CB550K Фонарь задний
    Фонарь задний
  • CB550K Фара
    Фара
  • CB550K Transmission @ kick spindle
    Transmission @ kick spindle
  • CB550K Kick arm @ pedal
    Kick arm @ pedal
  • CB550K Сигналы поворота
    Сигналы поворота
  • CB550K Wire harness @ horn  @ ignition coil
    Wire harness @ horn @ ignition coil


  Информация
  • Новости
  • О Компании
  • Оплата и Доставка
  • Помощь
  • Обратная связь
  • Контакты
  OEM запчасти
  • Запчасти для мотоциклов
  • Запчасти для квадроциклов
  • Запчасти для снегоходов
  • Запчасти для мотовездеходов
  • Запчасти для гидроциклов
  • Запчасти для лодочных моторов
  Наши контакты
  • ИП Зуев Артем Павлович
  • г. Москва 2-я Хуторская улица, д.29, офис 214
  • Email: info@partsfor.ru

Тел: ‎8(495) 532-03-60
8(909) 958-46-33; 8(925) 200-16-98

* все разговоры записываются
С 10.00 до 19.00 ПН - ПТ

© 2026 Интернет магазин запчастей для мототехники ПартсФор.

  • PaymentGateway
  • PaymentGateway
Договор-оферта
Образец договора для юр.лиц
Пользовательское соглашение
Политика конфиденциальности

Товар добавлен в корзину

Выбранный товар добавлен в Вашу корзину.
Далее Вы можете перейти в корзину для оформления заказа или закрыть это окно и продолжить покупки.

Перейти в корзину

Выбор модели техники

Выбрать