• О Компании
  • Оплата и Доставка
  • Помощь
  • Обратная связь
  • Контакты
  • Telegram
  • ВКонтакте
  • Telegram
  • ВКонтакте
  • Регистрация
  • Авторизация
Интернет магазин мотозапчастей PartsFor.ru
Москва и регионы России
  • Личный кабинет
    • Заказы
    • Оплаты
    • Отгрузки
    • Сообщения
    • Профиль
    • Выход
  • Оригинальные запчасти
    • Для мотоциклов
    • Yamaha
    • Honda
    • Suzuki
    • Kawasaki
    • Harley Davidson
    • Ducati
    • Can-Am
    • Aprilia
    • BMW
    • Triumph
    • Husaberg
    • Husqvarna
    • KTM
    • Indian
    • Victory
    • Slingshot
    • Для мотоциклов
    • Для квадроциклов
    • Для снегоходов
    • Для мотовездеходов
    • Для гидроциклов
    • Для лодочных моторов
    • Для катеров
    • Для судовых двигателей
    • Для генераторов
    • Для квадроциклов
    • Yamaha
    • Honda
    • Suzuki
    • Kawasaki
    • Arctic Cat
    • Can-Am
    • Polaris
    • KTM
    • Для снегоходов
    • Yamaha
    • Arctic Cat
    • Lynx
    • Ski-Doo
    • Polaris
    • Для генераторов
    • Для мотовездеходов
    • Yamaha
    • Honda
    • Suzuki
    • Kawasaki
    • Arctic Cat
    • Can-Am
    • Polaris
    • Polaris RZR
    • Для гидроциклов
    • Yamaha
    • Honda Marine
    • Kawasaki
    • Arctic Cat
    • Polaris
    • Sea-Doo
    • Для лодочных моторов
    • Для катеров
    • Для суд. двигателей
    • Для генераторов
    • Для лодочных моторов
    • Yamaha
    • Honda Marine
    • Suzuki Marine
    • Evinrude
    • Johnson
    • Nissan
    • Tohatsu
    • Mercury
    • Force
    • Mariner
    • Для катеров
    • Yamaha
    • Sea-Doo
    • Для суд. двигателей
    • Для спецтехники
  • Неоригинал, расходники
  • Заказ по каталогам
    • КАТАЛОГ PARTS UNLIMITED
  • Моторезина
  1. Главная
  2. Запчасти для мотоциклов
  3. Honda (Америка)
  4. 1976
  5. XL125

XL125 (1976)

Оригинальные запчасти для мотоциклов Honda (Америка)

Выбор узла

XL125 (1976)
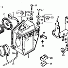
  • XL125 Air cleaner @ battery
    Air cleaner @ battery
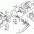
  • XL125 Генератор и крышка
    Генератор и крышка
  • XL125 Цепь ГРМ и натяжитель
    Цепь ГРМ и натяжитель
  • XL125 Muffler 76-78
    Muffler 76-78
  • XL125 Распредвал и клапана
    Распредвал и клапана
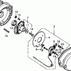
  • XL125 Oil pump @ oil filter rotor
    Oil pump @ oil filter rotor
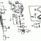
  • XL125 Carburetor (1) k-76
    Carburetor (1) k-76
  • XL125 Points @ advancer
    Points @ advancer
  • XL125 Carburetor (2) 76-78
    Carburetor (2) 76-78
  • XL125 Задний тормоз
    Задний тормоз
  • XL125 Change pedal @ brake pedal  @ step
    Change pedal @ brake pedal @ step
  • XL125 Rear fender 76-78
    Rear fender 76-78
  • XL125 Сцепление
    Сцепление
  • XL125 Задний амортизатор
    Задний амортизатор
  • XL125 Картер
    Картер
  • XL125 Заднее колесо
    Заднее колесо
  • XL125 Коленвал и поршни
    Коленвал и поршни
  • XL125 Крышка картера правая
    Крышка картера правая
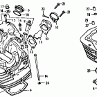
  • XL125 Cylinder head @ cylinder
    Cylinder head @ cylinder
  • XL125 Сидение
    Сидение
  • XL125 Рама
    Рама
  • XL125 Барабан и вилки переключения
    Барабан и вилки переключения
  • XL125 Переднее крыло
    Переднее крыло
  • XL125 Side cover @ tool
    Side cover @ tool
  • XL125 Передняя вилка
    Передняя вилка
  • XL125 Speedometer @ indicator lamp 76-78
    Speedometer @ indicator lamp 76-78
  • XL125 Front wheel @ panel
    Front wheel @ panel
  • XL125 Swingarm @ chain case
    Swingarm @ chain case
  • XL125 Топливный бак
    Топливный бак
  • XL125 Фонарь задний
    Фонарь задний
  • XL125 Handle lever @ switch 76-78
    Handle lever @ switch 76-78
  • XL125 Transmission @ kick starter spindle
    Transmission @ kick starter spindle
  • XL125 Руль и панель переднего номера
    Руль и панель переднего номера
  • XL125 Сигналы поворота
    Сигналы поворота
  • XL125 Headlight @ bracket
    Headlight @ bracket
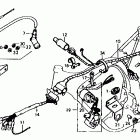
  • XL125 Жгут проводов
    Жгут проводов


  Информация
  • Новости
  • О Компании
  • Оплата и Доставка
  • Помощь
  • Обратная связь
  • Контакты
  OEM запчасти
  • Запчасти для мотоциклов
  • Запчасти для квадроциклов
  • Запчасти для снегоходов
  • Запчасти для мотовездеходов
  • Запчасти для гидроциклов
  • Запчасти для лодочных моторов
  Наши контакты
  • ИП Зуев Артем Павлович
  • г. Москва 2-я Хуторская улица, д.29, офис 214
  • Email: info@partsfor.ru

Тел: ‎8(495) 532-03-60
8(909) 958-46-33; 8(925) 200-16-98

* все разговоры записываются
С 10.00 до 19.00 ПН - ПТ

© 2026 Интернет магазин запчастей для мототехники ПартсФор.

  • PaymentGateway
  • PaymentGateway
Договор-оферта
Образец договора для юр.лиц
Пользовательское соглашение
Политика конфиденциальности

Товар добавлен в корзину

Выбранный товар добавлен в Вашу корзину.
Далее Вы можете перейти в корзину для оформления заказа или закрыть это окно и продолжить покупки.

Перейти в корзину

Выбор модели техники

Выбрать