• О Компании
  • Оплата и Доставка
  • Помощь
  • Обратная связь
  • Контакты
  • Telegram
  • ВКонтакте
  • Telegram
  • ВКонтакте
  • Регистрация
  • Авторизация
Интернет магазин мотозапчастей PartsFor.ru
Москва и регионы России
  • Личный кабинет
    • Заказы
    • Оплаты
    • Отгрузки
    • Сообщения
    • Профиль
    • Выход
  • Оригинальные запчасти
    • Для мотоциклов
    • Yamaha
    • Honda
    • Suzuki
    • Kawasaki
    • Harley Davidson
    • Ducati
    • Can-Am
    • Aprilia
    • BMW
    • Triumph
    • Husaberg
    • Husqvarna
    • KTM
    • Indian
    • Victory
    • Slingshot
    • Для мотоциклов
    • Для квадроциклов
    • Для снегоходов
    • Для мотовездеходов
    • Для гидроциклов
    • Для лодочных моторов
    • Для катеров
    • Для судовых двигателей
    • Для генераторов
    • Для квадроциклов
    • Yamaha
    • Honda
    • Suzuki
    • Kawasaki
    • Arctic Cat
    • Can-Am
    • Polaris
    • KTM
    • Для снегоходов
    • Yamaha
    • Arctic Cat
    • Lynx
    • Ski-Doo
    • Polaris
    • Для генераторов
    • Для мотовездеходов
    • Yamaha
    • Honda
    • Suzuki
    • Kawasaki
    • Arctic Cat
    • Can-Am
    • Polaris
    • Polaris RZR
    • Для гидроциклов
    • Yamaha
    • Honda Marine
    • Kawasaki
    • Arctic Cat
    • Polaris
    • Sea-Doo
    • Для лодочных моторов
    • Для катеров
    • Для суд. двигателей
    • Для генераторов
    • Для лодочных моторов
    • Yamaha
    • Honda Marine
    • Suzuki Marine
    • Evinrude
    • Johnson
    • Nissan
    • Tohatsu
    • Mercury
    • Force
    • Mariner
    • Для катеров
    • Yamaha
    • Sea-Doo
    • Для суд. двигателей
    • Для спецтехники
  • Неоригинал, расходники
  • Заказ по каталогам
    • КАТАЛОГ PARTS UNLIMITED
  • Моторезина
  1. Главная
  2. Запчасти для мотоциклов
  3. Honda (Америка)
  4. 1976
  5. TL250

TL250 (1976)

Оригинальные запчасти для мотоциклов Honda (Америка)

Выбор узла

TL250 (1976)
  • TL250 Генератор
    Генератор
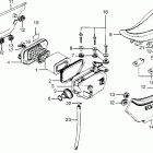
  • TL250 Headlight @ taillight
    Headlight @ taillight
  • TL250 Brake pedal @ step @ stand
    Brake pedal @ step @ stand
  • TL250 Кик стартер
    Кик стартер
  • TL250 Цепь ГРМ и натяжитель
    Цепь ГРМ и натяжитель
  • TL250 Крышка картера левая
    Крышка картера левая
  • TL250 Распредвал и клапана
    Распредвал и клапана
  • TL250 Карбюратор
    Карбюратор
  • TL250 Глушитель
    Глушитель
  • TL250 Сцепление
    Сцепление
  • TL250 Масляный насос и фильтр
    Масляный насос и фильтр
  • TL250 Картер
    Картер
  • TL250 Points
    Points
  • TL250 Коленвал и поршни
    Коленвал и поршни
  • TL250 Заднее крыло
    Заднее крыло
  • TL250 Цилиндр
    Цилиндр
  • TL250 Заднее колесо
    Заднее колесо
  • TL250 Головка цилиндра
    Головка цилиндра
  • TL250 Крышка картера правая
    Крышка картера правая
  • TL250 Крышка головки цилиндров
    Крышка головки цилиндров
  • TL250 Seat @ air cleaner @ side cover
    Seat @ air cleaner @ side cover
  • TL250 Передняя вилка
    Передняя вилка
  • TL250 Амортизатор
    Амортизатор
  • TL250 Front wheel @ front fender
    Front wheel @ front fender
  • TL250 Маятник
    Маятник
  • TL250 Топливный бак
    Топливный бак
  • TL250 Switches @ cables
    Switches @ cables
  • TL250 Gearshift fork @ shift drum
    Gearshift fork @ shift drum
  • TL250 Tool set
    Tool set
  • TL250 Handlebar @ steering stem
    Handlebar @ steering stem
  • TL250 Трансмиссия
    Трансмиссия
  • TL250 Wire harness @ frame
    Wire harness @ frame


  Информация
  • Новости
  • О Компании
  • Оплата и Доставка
  • Помощь
  • Обратная связь
  • Контакты
  OEM запчасти
  • Запчасти для мотоциклов
  • Запчасти для квадроциклов
  • Запчасти для снегоходов
  • Запчасти для мотовездеходов
  • Запчасти для гидроциклов
  • Запчасти для лодочных моторов
  Наши контакты
  • ИП Зуев Артем Павлович
  • г. Москва 2-я Хуторская улица, д.29, офис 214
  • Email: info@partsfor.ru

Тел: ‎8(495) 532-03-60
8(909) 958-46-33; 8(925) 200-16-98

* все разговоры записываются
С 10.00 до 19.00 ПН - ПТ

© 2026 Интернет магазин запчастей для мототехники ПартсФор.

  • PaymentGateway
  • PaymentGateway
Договор-оферта
Образец договора для юр.лиц
Пользовательское соглашение
Политика конфиденциальности

Товар добавлен в корзину

Выбранный товар добавлен в Вашу корзину.
Далее Вы можете перейти в корзину для оформления заказа или закрыть это окно и продолжить покупки.

Перейти в корзину

Выбор модели техники

Выбрать