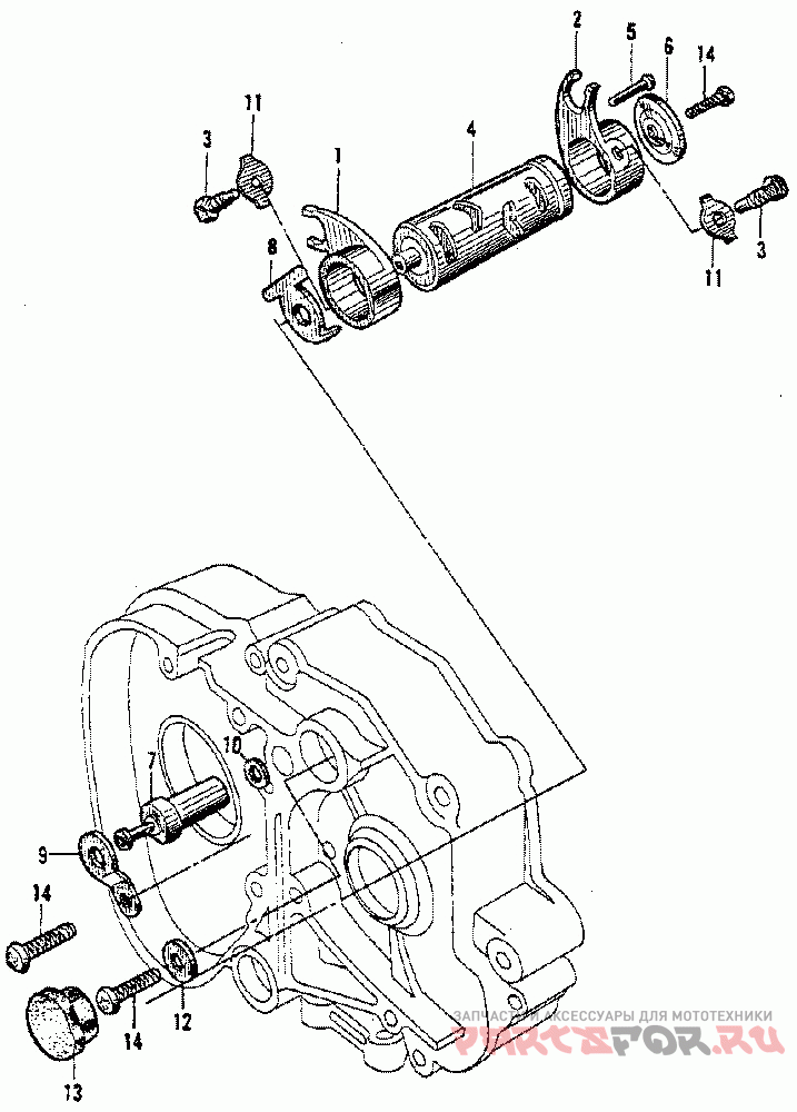
Gearshift

Honda (Америка) CA200

Honda (Америка)
#oem кодцена
10
37551-001-000
Деталь O-ring (7x1.6)
14
93500-06014-0A
Винт (6x14)