• О Компании
  • Оплата и Доставка
  • Помощь
  • Обратная связь
  • Контакты
  • Telegram
  • ВКонтакте
  • Telegram
  • ВКонтакте
  • Регистрация
  • Авторизация
Интернет магазин мотозапчастей PartsFor.ru
Москва и регионы России
  • Личный кабинет
    • Заказы
    • Оплаты
    • Отгрузки
    • Сообщения
    • Профиль
    • Выход
  • Оригинальные запчасти
    • Для мотоциклов
    • Yamaha
    • Honda
    • Suzuki
    • Kawasaki
    • Harley Davidson
    • Ducati
    • Can-Am
    • Aprilia
    • BMW
    • Triumph
    • Husaberg
    • Husqvarna
    • KTM
    • Indian
    • Victory
    • Slingshot
    • Для мотоциклов
    • Для квадроциклов
    • Для снегоходов
    • Для мотовездеходов
    • Для гидроциклов
    • Для лодочных моторов
    • Для катеров
    • Для судовых двигателей
    • Для генераторов
    • Для квадроциклов
    • Yamaha
    • Honda
    • Suzuki
    • Kawasaki
    • Arctic Cat
    • Can-Am
    • Polaris
    • KTM
    • Для снегоходов
    • Yamaha
    • Arctic Cat
    • Lynx
    • Ski-Doo
    • Polaris
    • Для генераторов
    • Для мотовездеходов
    • Yamaha
    • Honda
    • Suzuki
    • Kawasaki
    • Arctic Cat
    • Can-Am
    • Polaris
    • Polaris RZR
    • Для гидроциклов
    • Yamaha
    • Honda Marine
    • Kawasaki
    • Arctic Cat
    • Polaris
    • Sea-Doo
    • Для лодочных моторов
    • Для катеров
    • Для суд. двигателей
    • Для генераторов
    • Для лодочных моторов
    • Yamaha
    • Honda Marine
    • Suzuki Marine
    • Evinrude
    • Johnson
    • Nissan
    • Tohatsu
    • Mercury
    • Force
    • Mariner
    • Для катеров
    • Yamaha
    • Sea-Doo
    • Для суд. двигателей
    • Для спецтехники
  • Неоригинал, расходники
  • Заказ по каталогам
    • КАТАЛОГ PARTS UNLIMITED
  • Моторезина
  1. Главная
  2. Запчасти для мотоциклов
  3. Honda (Америка)
  4. 1961
  5. CA77

CA77 (1961)

Оригинальные запчасти для мотоциклов Honda (Америка)

Выбор узла

CA77 (1961)
  • CA77 Air cleaner @ tool set
    Air cleaner @ tool set
  • CA77 Gearshift
    Gearshift
  • CA77 Alternator @ starter motor
    Alternator @ starter motor
  • CA77 Handlebar (1)
    Handlebar (1)
  • CA77 Camshaft @ valve @ cam chain
    Camshaft @ valve @ cam chain
  • CA77 Рулевое управление
    Рулевое управление
  • CA77 Карбюратор
    Карбюратор
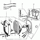
  • CA77 Headlight @ speedometer
    Headlight @ speedometer
  • CA77 Clutch @ left crankcase cover
    Clutch @ left crankcase cover
  • CA77 Kick starter arm @ right crankcase cover
    Kick starter arm @ right crankcase cover
  • CA77 Коленвал и поршни
    Коленвал и поршни
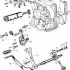
  • CA77 Main stand @ step bar
    Main stand @ step bar
  • CA77 Цилиндр и головка цилиндра
    Цилиндр и головка цилиндра
  • CA77 Dimmer switch @ starter switch (1) @ mirrors
    Dimmer switch @ starter switch (1) @ mirrors
  • CA77 Глушитель
    Глушитель
  • CA77 Dimmer switch @ starter switch (2)
    Dimmer switch @ starter switch (2)
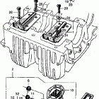
  • CA77 Oil pump @ oil filter
    Oil pump @ oil filter
  • CA77 Distribution box
    Distribution box
  • CA77 Points
    Points
  • CA77 Рама
    Рама
  • CA77 Задний амортизатор
    Задний амортизатор
  • CA77 Front fork @ front fender
    Front fork @ front fender
  • CA77 Заднее колесо
    Заднее колесо
  • CA77 Front shock
    Front shock
  • CA77 Сидение
    Сидение
  • CA77 Переднее колесо
    Переднее колесо
  • CA77 Swingarm @ chain case
    Swingarm @ chain case
  • CA77 Топливный бак
    Топливный бак
  • CA77 Фонарь задний
    Фонарь задний
  • CA77 Набор прокладок
    Набор прокладок
  • CA77 Трансмиссия
    Трансмиссия
  • CA77 Upper crankcase @ lower crankcase
    Upper crankcase @ lower crankcase
  • CA77 Wire harness @ battery
    Wire harness @ battery


  Информация
  • Новости
  • О Компании
  • Оплата и Доставка
  • Помощь
  • Обратная связь
  • Контакты
  OEM запчасти
  • Запчасти для мотоциклов
  • Запчасти для квадроциклов
  • Запчасти для снегоходов
  • Запчасти для мотовездеходов
  • Запчасти для гидроциклов
  • Запчасти для лодочных моторов
  Наши контакты
  • ИП Зуев Артем Павлович
  • г. Москва 2-я Хуторская улица, д.29, офис 214
  • Email: info@partsfor.ru

Тел: ‎8(495) 532-03-60
8(909) 958-46-33; 8(925) 200-16-98

* все разговоры записываются
С 10.00 до 19.00 ПН - ПТ

© 2026 Интернет магазин запчастей для мототехники ПартсФор.

  • PaymentGateway
  • PaymentGateway
Договор-оферта
Образец договора для юр.лиц
Пользовательское соглашение
Политика конфиденциальности

Товар добавлен в корзину

Выбранный товар добавлен в Вашу корзину.
Далее Вы можете перейти в корзину для оформления заказа или закрыть это окно и продолжить покупки.

Перейти в корзину

Выбор модели техники

Выбрать