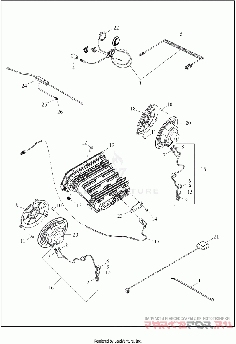
SOUND SYSTEM - FLHTCUTG

Harley Davidson FLHTCUTG 1MAF TRI GLIDE ULTRA (2023)

Harley Davidson
#oem кодцена
1
10006
Деталь STRAP,TIE,X
2
10065
Деталь STRAP,TIE,CABLE
3
77117-10
Деталь KIT-HEADSET,HELMET,ACY/FLT | with 77126-10, 77148-10 and 76000243
4
77126-10
Деталь SOCK-WIND,HDSET MICROPHONE | microphone (California, Canada, Domestic)
5
77148-10
Деталь HEADSET CORD | headset (California, Canada, Domestic)
6
72169-07
Деталь TERMINAL,PIN,#16-20 AWG | pin, 16-20 AWG
7
72290-94
Деталь TERMINAL,.250F,INSULATED | socket 1/4 in (black)
8
72294-94
Деталь TERMINAL FEM IN #16-20AWG | socket 16-20 AWG (white)
9
73213-07
Деталь RETAINER,X-MAS TREE CLIP | anchored
10
10200205
Деталь SCREW, PAN HEAD, TORX
11
10500017
Деталь SCREW,PAN TORX,PLASTITE
12
12600070
Болт
13
12600071
Деталь RETAINER,BOLT | bolt
14
12600073
Деталь SCREW,ACCY MODULE(PO) | accessory module
15
69200272
Деталь CONNECTOR,X | two-way pin
16
69200247
Деталь HARNESS,WIRE,X | speaker jumper, with 10065, 72169-07, 72290-94, 72294-94, 73213-07 and 69200272
17
69200391
Деталь WIRE HARNESS,AM/FM ANTENNA(PO) | AM/FM antenna
18
76000055
Деталь SPEAKER GRILLE
19
76000783F
Деталь RECEIVER,RAD,PREM/DOM | with 12600070, 12600071, 12600073 and 76000252 (Domestic, California, Canada) (See NOTE 1)
19
76000784F
Деталь RECEIVER,RAD,PREM/HDI | with 12600070, 12600071, 12600073 and 76000252 (HDI) (See NOTE 2)
19
76000785F
Деталь RECEIVER,RAD,PREM/ROW | with 12600070, 12600071, 12600073 and 76000252 (HDI, China, Australia, Japan) (See NOTE 3)
20
76000819A
Деталь SPEAKER,AUD SYS,5.25 DIAMETER | 5-1/4 in
21
76000789
Деталь ANTENNA,GPS | GPS
22
76000243
Деталь EAR PAD,FOAM,HEADSET,SPEAKER | foam (California, Canada, Domestic)
23
76000252
Деталь PLATE,ACC MODULE | accessory module
24
76000554
Деталь ANTENNA,HIDDEN | hidden, with 72272-07 and 69200271 (China)
25
72272-07
Деталь TERMINAL, SOCKET #14-16 AWG | socket, 14-16 AWG (2) (China)
26
69200271
Деталь CONNECTOR,2-WAY SOCKET | two way socket (black) (China)