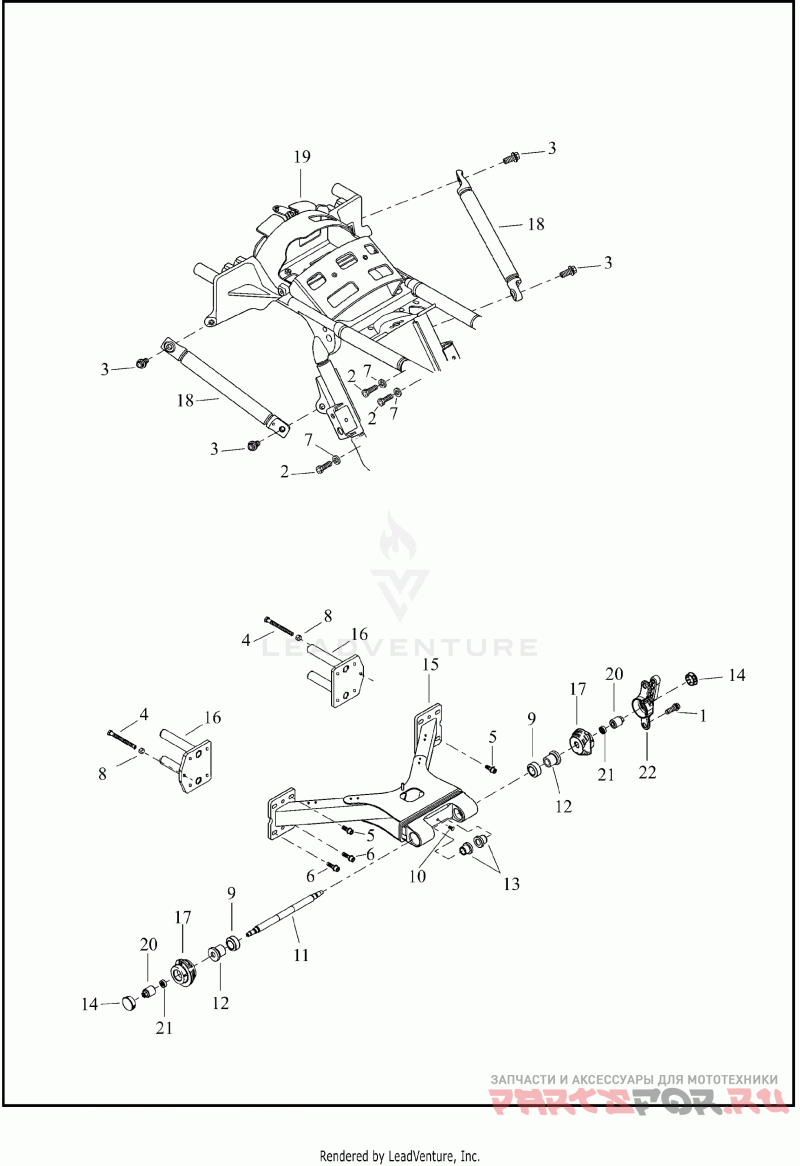
FRAME, INTERMEDIATE AND FORK, REAR

Harley Davidson FLHTCUTG 1MAF TRI GLIDE ULTRA (2022)

Harley Davidson
#oem кодцена
1
3057
Деталь SCREW,SEMS,HEX HD/LOCK
2
3536
Деталь SCREW,HEX HD
3
4685
Деталь SCREW,SCREW,HEX FLANGE
4
4686
Деталь SCREW,HEX,3/8-16X4 | hex
5
4687
Деталь SCREW,HEX SCKT,SEMS,3/8-16X1
6
4688
Деталь SCREW,HEX SCKT,SEMS,3/8-16X1-1/4
7
6532
Деталь WASHER HARDENED
8
7783
Гайка
9
9208
Деталь BEARING,PIVOT
10
11779
Деталь PUSH-IN FASTENER,BLACK | push-in (black)
11
47505-02
Деталь PIVOT SHAFT | rear fork
12
48487-02
Деталь SPACER-PIVOT END CAP | outer
13
48489-02
Деталь SPACER,PIVOT | inner
14
67875-11
Деталь HOLE PLUG | (black)
15
83366-09
Деталь SWINGARM,RR | with 9208 and 48489-02
16
83373-09A
Деталь ADAPTER PLATE ASY,SWGARM | rear fork
17
83382-09
Деталь ISOLATOR MOUNT, REAR ENGINE
18
83407-09
Деталь BRACKET,FRAME CONNCTN
19
83466-11BHP
Деталь FRAME ASY,INTERMEDIATE/PNTD | intermediate
20
83496-09
Деталь NUT,PIVOT, RR | pivot, rear
21
83886-09
Деталь WASHER, CUP
22
16400005
Деталь BRACKET,RR ENG MNT | rear fork (left)