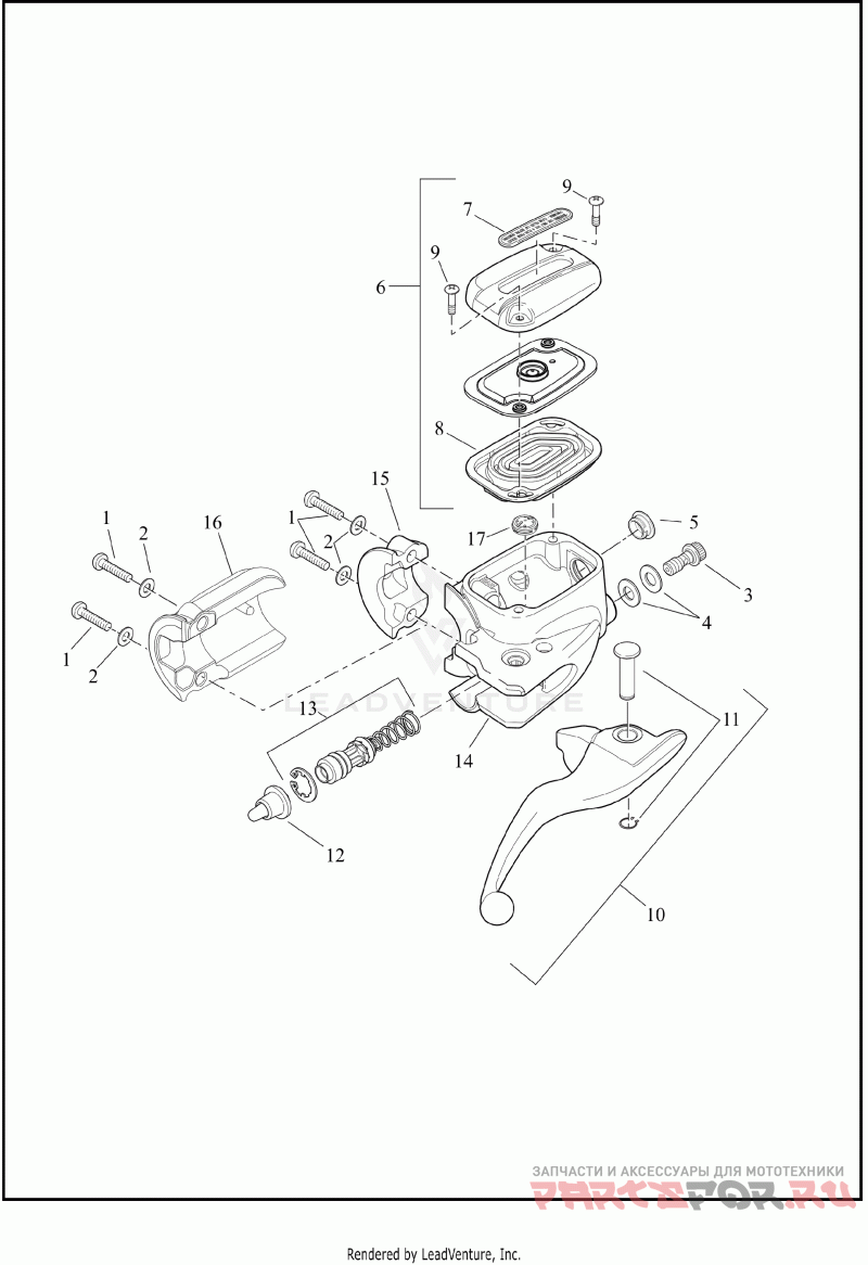
BRAKE CONTROL, FRONT
Harley Davidson FLHT 1FVC ELECTRA GLIDE STANDARD (2022)
| # | oem код | название | цена |
|---|---|---|---|
1 | 4132 Деталь SCREW,HX SOC/BTN/TORX HD | Деталь SCREW,HX SOC/BTN/TORX HD | |
2 | 6101 Шайба | Шайба | |
3 | 41750-06B Деталь BANJO BOLT,BRAKELINE | brake line | Деталь BANJO BOLT,BRAKELINE | brake line | |
4 | 41751-06A Деталь WASHER,SLG,M10,COPPER | Деталь WASHER,SLG,M10,COPPER | |
5 | 42854-06 Деталь KIT SIGHT GLASS | reservoir | Деталь KIT SIGHT GLASS | reservoir | |
6 | 42855-06D Деталь BRK MA CYL,COVER ASSY, BLK | master cylinder, with 42856-06, 42857-06B and 42858-06A (black) | Деталь BRK MA CYL,COVER ASSY, BLK | master cylinder, with 42856-06, 42857-06B and 42858-06A (black) | |
7 | 42856-06 Деталь DECAL,COVER,FRONT MSTR | reservoir cover | Деталь DECAL,COVER,FRONT MSTR | reservoir cover | |
8 | 42857-06B Деталь GASKET,COVER/MSTR CYL | reservoir cover | Деталь GASKET,COVER/MSTR CYL | reservoir cover | |
9 | 42858-06A Деталь KIT-SCREWS,COVER/MSTR CYL | cover (set of 2) | Деталь KIT-SCREWS,COVER/MSTR CYL | cover (set of 2) | |
10 | 42859-06B Деталь KIT,BRK,FRT LEVER,POLISHED | front, with 42860-06B (polished) | Деталь KIT,BRK,FRT LEVER,POLISHED | front, with 42860-06B (polished) | |
11 | 42860-06B Деталь KIT-PIVOT PIN,BLK | with retaining ring | Деталь KIT-PIVOT PIN,BLK | with retaining ring | |
12 | 42861-06B Деталь KIT-PUSHROD,FRT MSTR CYL,VRSC/FLT | master cylinder | Деталь KIT-PUSHROD,FRT MSTR CYL,VRSC/FLT | master cylinder | |
13 | 42862-06B Деталь MASTER CYL REPAIR KIT, FRT, TOURING/VRSC | master cylinder | Деталь MASTER CYL REPAIR KIT, FRT, TOURING/VRSC | master cylinder | |
14 | 44551-08F Деталь BRAKE MA CYL ASSY,SIL LVR | front, with 5, 6, 7, 8, 9, 10, 11, 12, 13 and 17 (gloss black with polished lever) | Деталь BRAKE MA CYL ASSY,SIL LVR | front, with 5, 6, 7, 8, 9, 10, 11, 12, 13 and 17 (gloss black with polished lever) | |
15 | 45138-08A Деталь HALF-CLAMP,MSTR CYL/CLTCH LVR,BLACK | master cylinder and clutch (gloss black) | Деталь HALF-CLAMP,MSTR CYL/CLTCH LVR,BLACK | master cylinder and clutch (gloss black) | |
17 | 41700367 Деталь BRK MA CYL SUB-CMPNT,ANTI-BUBBLE BUTTON | anti-bubble | Деталь BRK MA CYL SUB-CMPNT,ANTI-BUBBLE BUTTON | anti-bubble |
