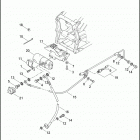
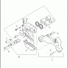
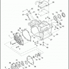
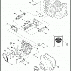
FXSB 1BFV BREAKOUT (2017) (2017)

Оригинальные запчасти для мотоциклов Harley Davidson

Выбор узла

FXSB 1BFV BREAKOUT (2017) (2017)