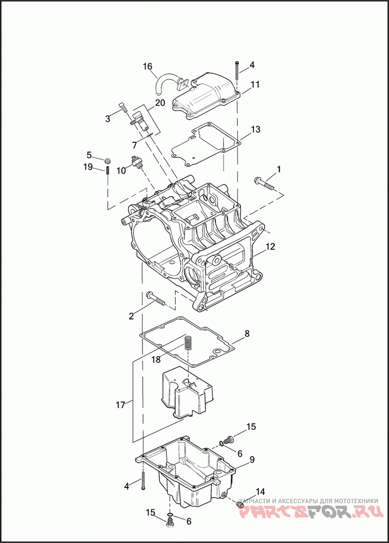
TRANSMISSION HOUSING & OIL PAN

Harley Davidson FLD 1GZ4 DYNA SWITCHBACK (2013)

Harley Davidson
#oem кодцена
1
3983
Деталь SCREW 3/8-16 X 1-5/8 HEX FLANGE HD., W/WASHER (GRADE 8)
2
3699D
Деталь SCREW 3/8-16 X 2.0 HEX FLANGE HD. (GRADE 8)
3
4705
Деталь SCREW 1/4-20 X 11/16 SEMS SOCKET HD., W/LOCKPATCH
4
4741A
Деталь SCREW 1/4-20 X 1 SOCKET HD., W/LOCKPATCH
5
7792
Деталь NUT 1/4-20 X 1/4 (GRADE 2)
6
11105
Уплотнительное кольцо
7
11289A
Уплотнительное кольцо
8
26072-99A
Деталь GASKET OIL PAN
9
26087-99A
Деталь PAN OIL (BLACK)
9
33083-10A
Деталь TRANSMISSION ASSEMBLY
10
33926-06B
Деталь NEUTRAL SWITCH W/ O-RING
11
34521-06B
Деталь COVER W/ 62372-09 (BLACK)
12
34747-06C
Деталь TRANSMISSION HOUSING (BLACK)
13
34917-06
Деталь GASKET COVER
14
45893-99
Деталь PLUG PIPE
15
60328-98B
Деталь PLUG ASSEMBLY OIL DRAIN MAGNETIC, W/ 11105
16
62372-09
Деталь VENT HOSE
17
62826-02
Деталь BAFFLE ASSEMBLY W/ 62828-99
18
62828-99
Деталь SPRING BAFFLE
19
66290-06
Деталь STUD GROUND
20
74402-05B
Деталь SPEED SENSOR W/ 11289A