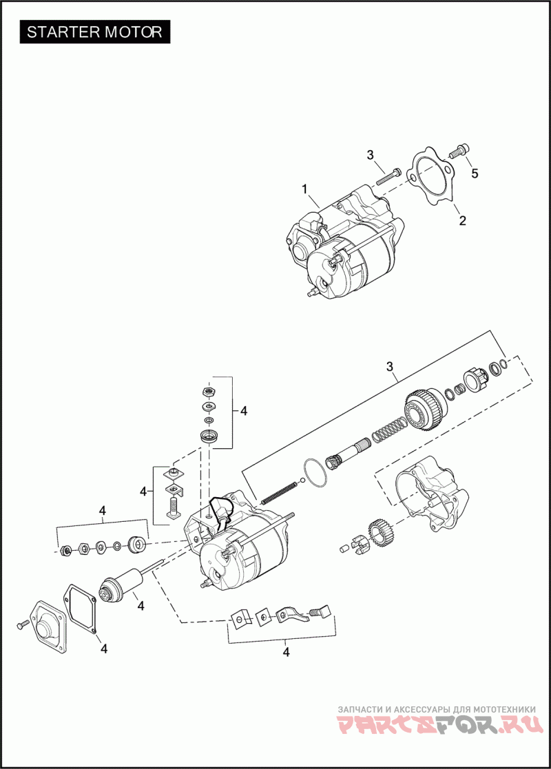
Стартер

Harley Davidson XL883L 4CR2 SUPERLOW (2012)

Harley Davidson
#oem кодцена
1
31390-91F
Деталь STARTER MOTOR COMPLETE
2
31488-81C
Прокладка
3
31556-91D
Деталь CLUTCH SUB-ASSEMBLY
4
31603-91
Деталь REPAIR KIT STARTER SOLENOID
5
45902-00
Винт