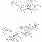
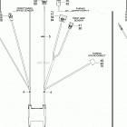
FLTRXSE 1TC8 CVO ROAD GLIDE (2012) (2012)

Оригинальные запчасти для мотоциклов Harley Davidson

Выбор узла

FLTRXSE 1TC8 CVO ROAD GLIDE (2012) (2012)